Тройник редукционный DL28-15-28 (корпус) арт. 104539.1 от Cast
Тройник редукционный DL28-15-28 (корпус). Соединения с врезным кольцом (DIN 2353). Т-адаптер (серия PRT)
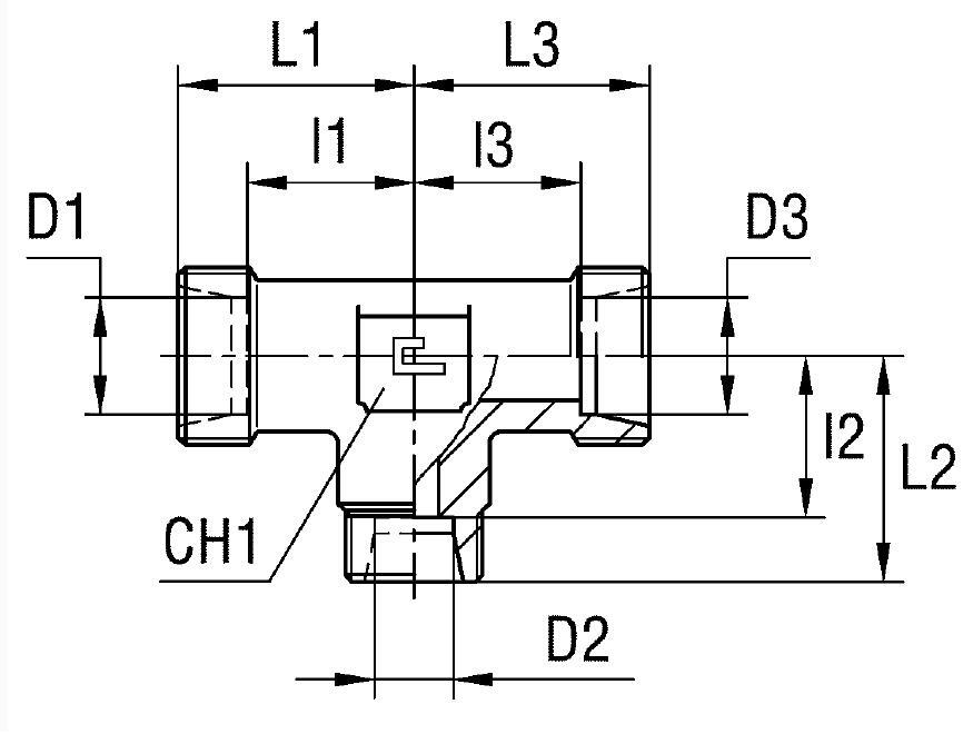
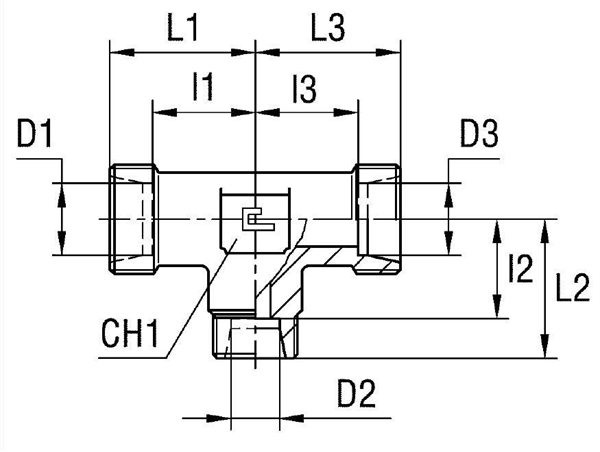
Данный редукционный тройник (корпус), артикул 104539.1, является ключевым элементом для разветвления гидравлической линии и обеспечения компактного подключения с изменением номинального диаметра. Производитель — итальянский бренд CAST. Относится к легкой серии (L), предназначен для работы в системах стандартного и низкого давления. Основные области применения: стационарное оборудование, машиностроение, системы смазки и мобильная техника, где требуется высокая надежность соединения.
Конструкция представляет собой высокопрочный корпус для создания герметичного трубного соединения по схеме «прямой проход с боковым ответвлением меньшего диаметра». Фитинг соответствует стандарту соединений 24° DIN 2353. Для полноценной установки и обеспечения требуемой герметичности необходимы соответствующие врезные кольца и накидные гайки, которые заказываются отдельно. Корпус тройника гарантирует стабильность системы даже при значительных вибрационных нагрузках.
- Рабочее давление (WP): 250 бар
- Серия: L (Легкая)
- Диаметр основного прохода (D1/D3): 28 мм
- Диаметр редукционного ответвления (D2): 15 мм
- Стандарт трубного соединения: Соединения 24° DIN 2353
- Артикул: 104539.1
Стандартное исполнение гидравлического фитинга (префикс 10....) изготовлено из высококачественной стали с антикоррозионным покрытием. Для эксплуатации в агрессивных и высококоррозионных средах доступно исполнение из нержавеющей стали AISI 316 (при заказе замените префикс на 11....). Также возможен вариант из нержавеющей стали с гайкой AISI 304 (префикс 14....). Позиция поставляется только по запросу, обеспечивая точное соответствие техническим требованиям проекта.