Тройник редукционный DL22-18-22 (корпус) арт. 104535.1 от Cast
Тройник редукционный DL22-18-22 (корпус). Соединения с врезным кольцом (DIN 2353). Т-адаптер (серия PRT)
Тройник редукционный, артикул 104535.1, от производителя CAST серии L, разработан для создания надежных и герметичных разветвлений в гидравлических системах. Этот гидравлический фитинг CAST позволяет объединять потоки или создавать отводы с изменением диаметра, обеспечивая компактное подключение. Идеален для использования в стандартных гидравлических системах, станках, мобильной технике и промышленных установках с рабочим давлением до 250 бар.
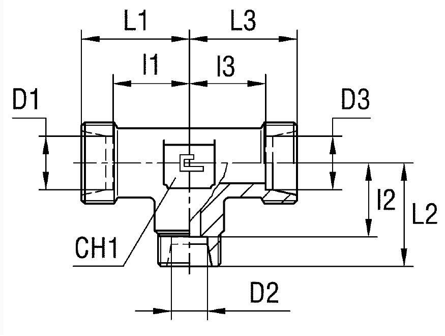
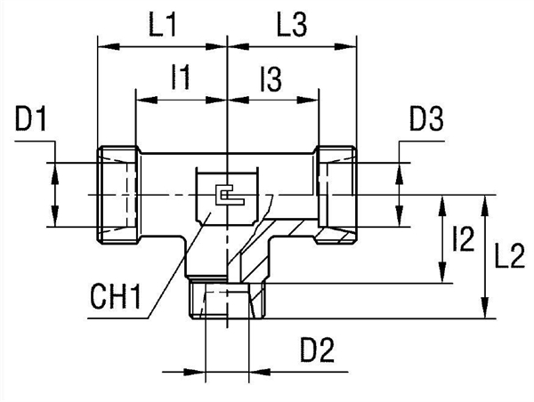
Конструктивно представляет собой редукционный тройник с тремя портами: два для труб диаметром 22 мм и один для трубы 18 мм. Соответствует международному стандарту DIN 2353 для трубных соединений с 24° конусом, что гарантирует высокую степень герметичности и надежности соединения без сварки. Предназначен для использования с метрическими трубами, образуя прочное и долговечное трубное соединение в условиях умеренного давления.
- Рабочее давление (WP): 250 бар
- Диаметр труб (основные порты): 22 мм
- Диаметр трубы (редукционный порт): 18 мм
- Размер под ключ (для 22 мм портов): 27 мм
- Серия: L (легкая)
- Стандарт соединения: DIN 2353 (24° конус)
- Габаритные длины: L1=35 мм, L2=34 мм, L3=35 мм, L4=44 мм
Стандартный материал исполнения – сталь. Для применения в коррозионно-стойких или агрессивных средах доступно исполнение из нержавеющей стали AISI 316. Для заказа корпуса из AISI 316 необходимо изменить префикс артикула с "10..." на "11...". При необходимости, вариант из AISI 316 с гайкой из AISI 304 заказывается с префиксом "14...". Данная позиция поставляется как корпус фитинга и доступна только по запросу.