Тройник редукционный DL22-18-18 (корпус) арт. 104534.1 от Cast
Тройник редукционный DL22-18-18 (корпус). Соединения с врезным кольцом (DIN 2353). Т-адаптер (серия PRT)
Тройник редукционный, артикул 104534.1, предназначен для создания ответвлений в гидравлических системах с различным диаметром трубопроводов. Производство CAST, серия L. Используется в системах со стандартным давлением, в том числе для смазки, топлива и в промышленном оборудовании.
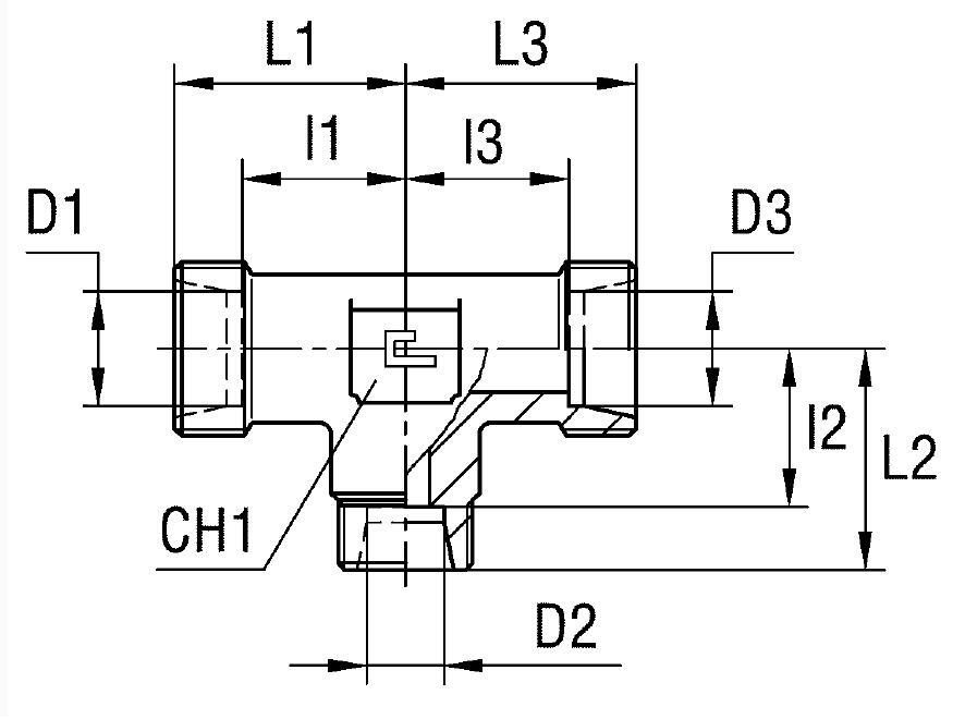
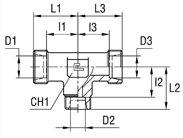
Данный фитинг CAST обеспечивает надежное трубное соединение благодаря соответствию стандарту DIN 2353. Конструкция тройника позволяет подключать трубы с диаметром 22 мм и 18 мм.
- Рабочее давление (WP): 250 бар
- Диаметр трубы M1/D1: 22 мм
- Размер под ключ 1 (CH1): 27 мм
- Длина L1: 35 мм
- Длина L2: 34 мм
- Длина L3: 34 мм
- Длина L4: 44 мм
- Стандарт трубного соединения: 24° DIN 2353
Поставляется как корпус. Для заказа фитинга CAST из нержавеющей стали AISI 316 необходимо заменить префикс артикула с 10 на 11. Для версии из нержавеющей стали AISI 316 с гайкой из нержавеющей стали AISI 304 следует использовать префикс 14. Данные исполнения доступны по запросу. Материал обеспечивает высокую коррозионную стойкость и подходит для применения в агрессивных средах.