Тройник редукционный DL22-12-22 (корпус) арт. 104531.1 от Cast
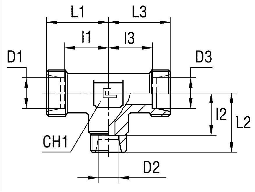
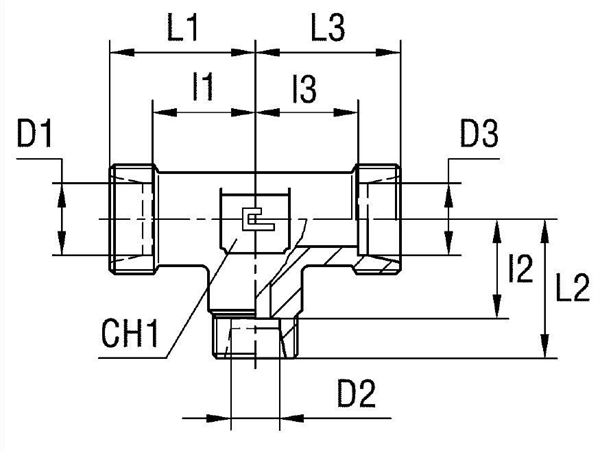
Тройник редукционный DL22-12-22 (корпус). Соединения с врезным кольцом (DIN 2353). Т-адаптер (серия PRT)
Редукционный тройник DL22-12-22, артикул 104531.1 от CAST, предназначен для разветвления гидравлических линий с изменением диаметра трубопровода. Используется в гидравлических системах среднего давления, системах смазки и на мобильной технике.
Данный фитинг CAST обеспечивает надежное соединение в соответствии со стандартом DIN 2353 (соединения 24°). Конструкция позволяет выполнить переход с трубы диаметром 22 мм на 12 мм и обратно на 22 мм.
- Рабочее давление (WP): 250 бар
- Диаметр трубы M1/D1: 22 мм
- Размер под ключ 1 (CH1): 27 мм
- Серия: L (легкая)
- Стандарт трубного соединения: Соединения 24° DIN 2353
- Длина L1: 35 мм
- Длина L2: 33 мм
- Длина L3: 35 мм
- Длина L4: 44 мм
Стандартное исполнение – сталь. Для применения в коррозионно-стойких средах возможен заказ трубного соединения из нержавеющей стали AISI 316 (замена префикса артикула с 10 на 11). Для заказа фитинга из нержавеющей стали AISI 316 с гайкой из нержавеющей стали AISI 304, замените первые две цифры артикула с 10.... на 14.... Пожалуйста, уточняйте наличие и сроки поставки.