Тройник редукционный DL22-10-22 (корпус) арт. 104530.1 от Cast
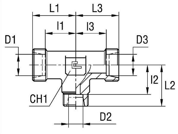
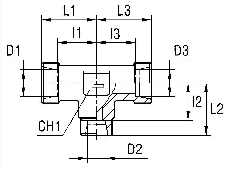
Тройник редукционный DL22-10-22 (корпус). Соединения с врезным кольцом (DIN 2353). Т-адаптер (серия PRT)
Данный редукционный тройник (артикул 104530.1) является ключевым элементом для создания герметичного и компактного ответвления в промышленных гидравлических линиях. Производитель CAST предлагает этот элемент в рамках Серии L (Light), обеспечивающей надежность при номинальном рабочем давлении до 250 бар. Изделие применяется в системах смазки, машиностроении, станочном оборудовании и в гидравлике низкого и стандартного давления.
Корпус тройника разработан для использования в составе неразъемного трубного соединения. Конструкция соответствует жестким требованиям стандарта DIN 2353 / ISO 8434-1, использующего конусность 24° для максимально надежного уплотнения. Редукционная конфигурация позволяет интегрировать в линию ответвление меньшего диаметра (10 мм) от основной магистрали (22 мм), обеспечивая высокую вариативность проектирования.
- Артикул: 104530.1
- Рабочее давление (WP): 250 бар
- Стандарт соединения: 24° конус DIN 2353
- Диаметры труб (D1-D2-D3): 22 мм / 10 мм / 22 мм
- Серия: L (Легкая)
- Размер под ключ (CH1): 27 мм
Стандартное исполнение – оцинкованная углеродистая сталь, подходящая для большинства рабочих жидкостей. Для применения в условиях повышенной влажности или агрессивной среды (например, морская техника, химическая промышленность), предусмотрена возможность заказа исполнения из нержавеющей стали AISI 316. Для заказа полностью нержавеющего изделия используйте префикс 11.... Если требуется фитинг CAST AISI 316 в комплекте с гайкой из AISI 304, следует указывать префикс 14.... Обратите внимание, что корпус поставляется без гаек и врезных колец, которые заказываются отдельно.