Тройник редукционный DL18-12-18 (корпус) арт. 104527.1 от Cast
Тройник редукционный DL18-12-18 (корпус). Соединения с врезным кольцом (DIN 2353). Т-адаптер (серия PRT)
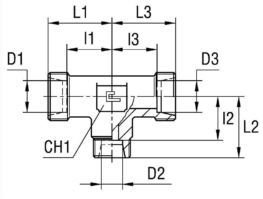
Редукционный тройник, артикул 104527.1, предназначен для создания разветвлений в гидравлических системах с изменением диаметра трубопровода. Производство CAST, серия L, рассчитан на использование в гидравлических системах среднего и высокого давления, в том числе в станочном оборудовании и мобильной технике. Обеспечивает надежное и герметичное трубное соединение.
Конструкция тройника соответствует стандарту DIN 2353 (соединения 24°). Обеспечивает совместимость с широким спектром трубных фитингов и конусных адаптеров, что упрощает монтаж и интеграцию в существующие гидравлические системы.
- Рабочее давление (WP): 400 бар
- Диаметр трубы M1/D1: 18 мм
- Размер под ключ 1 (CH1): 24 мм
- Длина L1: 31 мм
- Длина L2: 30 мм
- Длина L3: 31 мм
- Длина L4: 40 мм
- Стандарт трубного соединения: Соединения 24° DIN 2353
Поставляется как корпус. Для заказа фитинга CAST из нержавеющей стали AISI 316 необходимо изменить префикс артикула с 10 на 11. Для заказа фитинга из нержавеющей стали AISI 316 с гайкой из нержавеющей стали AISI 304 необходимо изменить префикс артикула с 10 на 14. Доступность позиции уточняйте по запросу. Рекомендуется для использования в условиях повышенной коррозионной активности.