Тройник редукционный DL15-12-15 в сборе арт. 104522 от Cast
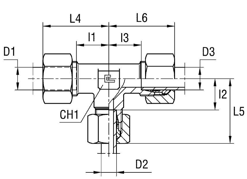
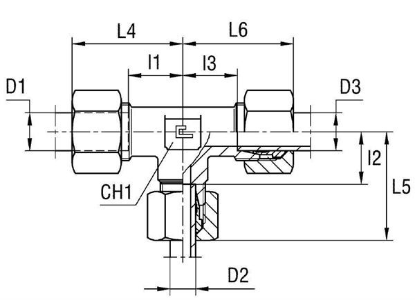
Тройник редукционный DL15-12-15 в сборе. Соединения с врезным кольцом (DIN 2353). Т-адаптер (серия PRT)
Тройник редукционный CAST, артикул 104522, представляет собой ключевой элемент для создания герметичных разветвлений в гидравлических системах. Этот **гидравлический тройник** предназначен для соединения трех труб, при этом обеспечивая переход на меньший диаметр в одном из отводов (15-12-15 мм). Принадлежит к легкой серии (L) производителя CAST и идеально подходит для применения в гидравлических контурах со стандартным и средним давлением, в станках, мобильной технике и промышленных установках, где требуется надежное и компактное разветвление потока.
Конструкция данного фитинга обеспечивает высокую надежность **соединения DIN 2353** с уплотнением по 24° конусу. Тройник поставляется "в сборе", что означает его готовность к монтажу, включая необходимые гайки и врезные кольца. Это обеспечивает простоту и скорость установки, гарантируя герметичность и устойчивость к вибрационным нагрузкам, характерным для гидравлических систем с 24-градусной конусностью.
- Рабочее давление (WP): 400 бар
- Тип соединения: 24° конус по DIN 2353
- Диаметры подключаемых труб: 15 мм (две линии), 12 мм (одна линия)
- Серия: L (легкая)
- Размер под ключ (CH1): 19 мм
- Габаритная длина L1: 28 мм
- Габаритная длина L2: 27 мм
- Габаритная длина L3: 28 мм
- Габаритная длина L4: 36 мм
Стандартное исполнение **фитинг CAST** изготовлено из высококачественной стали. Для применения в коррозионно-активных и агрессивных средах доступно исполнение из нержавеющей стали AISI 316 (для заказа замените префикс артикула с 10 на 11). Также предлагается вариант из AISI 316 с гайкой из AISI 304 (префикс 14), что повышает устойчивость к специфическим условиям эксплуатации. Перед заказом рекомендуем уточнить наличие, так как данная позиция доступна только по запросу. Комплектность "в сборе" гарантирует наличие всех необходимых компонентов для быстрого и правильного монтажа.