Тройник редукционный DL15-10-15 (корпус) арт. 104520.1 от Cast
Тройник редукционный DL15-10-15 (корпус). Соединения с врезным кольцом (DIN 2353). Т-адаптер (серия PRT)
Данный редукционный Т-образный корпус (Артикул: 104520.1) предназначен для создания герметичного разветвления или отвода в гидравлических системах с изменением номинального диаметра трубы. Изделие, произведенное брендом CAST, принадлежит к Серии L (легкой), оптимизированной для стандартного и умеренного давления. Тройник обеспечивает надежное трубное соединение в гидравлических линиях, применяемых в станочном оборудовании, машиностроении, системах смазки и стандартной мобильной технике.
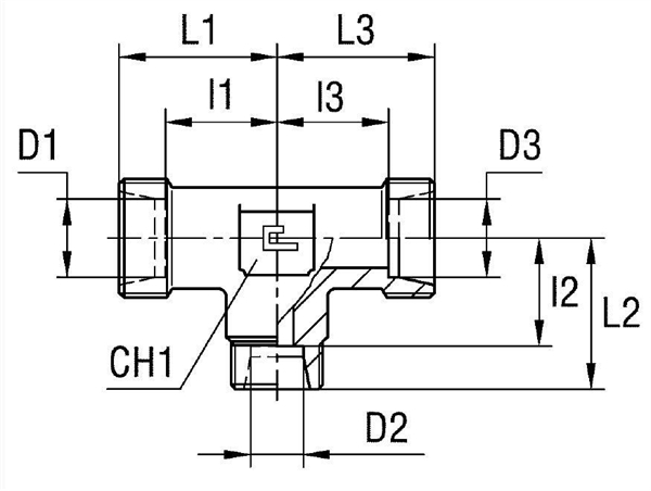
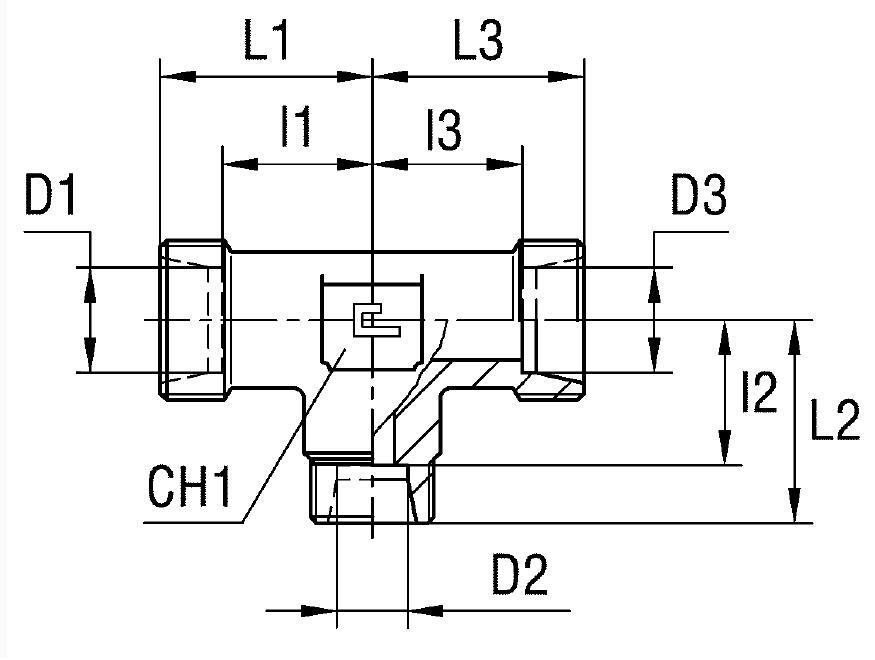
Конструкция представляет собой литой корпус высокого качества, специально разработанный для использования с врезными кольцами и накидными гайками, формируя жесткое, неразъемное соединение. Корпус соответствует международному стандарту DIN 2353 (ISO 8434-1), обеспечивая 24° конусное уплотнение. Модель DL15-10-15 позволяет соединять две магистрали с внешним диаметром 15 мм с одной редуцированной магистралью диаметром 10 мм.
- Рабочее давление (WP): 400 бар
- Серия: L (Легкая)
- Стандарт соединения: Соединения 24° DIN 2353
- Номинальные диаметры труб (D1/D2/D3): 15 / 10 / 15 мм
- Размер под ключ 1 (CH1): 19 мм
Стандартное исполнение фитинга CAST выполнено из стали с защитным покрытием. Для эксплуатации в агрессивных или коррозионно-активных средах предусмотрены варианты из нержавеющей стали AISI 316: для заказа необходимо заменить префикс артикула 10.... на 11.... (полностью нержавеющий корпус) или на 14.... (корпус AISI 316 с гайкой из AISI 304). Позиция поставляется как корпус; гайки и обжимные кольца заказываются отдельно согласно требуемому диаметру.