Тройник редукционный DL12-10-12 (корпус) арт. 104515.1 от Cast
Тройник редукционный DL12-10-12 (корпус). Соединения с врезным кольцом (DIN 2353). Т-адаптер (серия PRT)
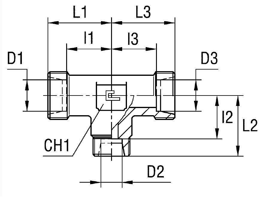
Тройник редукционный, артикул 104515.1, производства CAST, предназначен для разветвления гидравлических линий с изменением диаметра трубы. Используется в системах с рабочим давлением до 400 бар, в основном в станках, мобильной технике и других гидравлических системах, где требуется надежное трубное соединение.
Конструкция тройника редукционного DL12-10-12 обеспечивает надежное и герметичное соединение. Соответствует стандарту DIN 2353, обеспечивая совместимость с широким спектром фитингов и соединений с конусностью 24°. Позволяет создавать компактные и эффективные гидравлические схемы.
- Рабочее давление (WP): 400 бар
- Диаметр трубы M1/D1: 12 мм
- Диаметр трубы M2/D2: 10 мм
- Диаметр трубы M3/D3: 12 мм
- Размер под ключ 1 (CH1): 17 мм
- Серия: L (легкая)
- Стандарт трубного соединения: Соединения 24° DIN 2353
Данный фитинг CAST поставляется как корпус тройника. Для заказа исполнения из нержавеющей стали AISI 316 необходимо заменить префикс артикула с 10 на 11. Для версии с гайкой из нержавеющей стали AISI 304 префикс меняется на 14. Нержавеющая сталь обеспечивает высокую коррозионную стойкость, что делает его подходящим для использования в агрессивных средах.