Тройник редукционный DL12-08-12 (корпус) арт. 104513.1 от Cast
Тройник редукционный DL12-08-12 (корпус). Соединения с врезным кольцом (DIN 2353). Т-адаптер (серия PRT)
Этот фитинг CAST, артикул 104513.1, представляет собой редукционный тройник (корпус) из серии L, предназначенный для создания герметичных и надежных разветвлений в гидравлических системах. Основное назначение – подключение трех линий с различными диаметрами (в данном случае, 12-08-12 мм) или изменение направления потока жидкости. Изделие от производителя CAST обеспечивает эффективное распределение рабочей среды в широком спектре промышленных и мобильных гидравлических систем, включая станки, строительную и сельскохозяйственную технику.
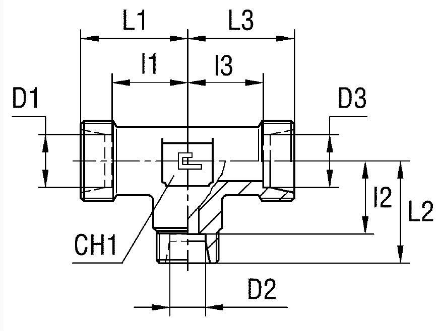
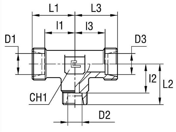
Конструктивно тройник DL12-08-12 выполнен как полый корпус с тремя портами для подключения труб. Он разработан для использования с классическими трубными соединениями 24° конус по стандарту DIN 2353, что гарантирует высокую степень герметичности и надежности при монтаже. Совместимость с компонентами, отвечающими этому стандарту, обеспечивает простоту интеграции в существующие гидравлические контуры. Данный корпус требует использования соответствующих гаек и врезных колец для создания полноценного соединения.
- Артикул: 104513.1
- Бренд: CAST
- Серия: L (Легкая)
- Рабочее давление (WP): 400 бар
- Диаметр труб: 12-08-12 мм (D1-D2-D3)
- Стандарт соединения: 24° конус по DIN 2353
- Размер под ключ (CH1): 17 мм
- Длина L1: 24 мм
- Длина L2: 23 мм
- Длина L3: 24 мм
- Длина L4: 32 мм
Стандартное исполнение тройника изготовлено из оцинкованной стали, обеспечивающей базовую коррозионную стойкость. Для применения в особо агрессивных средах, требующих повышенной устойчивости к коррозии, доступны варианты из нержавеющей стали. При заказе фитинга из нержавеющей стали AISI 316 используйте префикс артикула `11....` вместо `10....`. Если требуется вариант из нержавеющей стали AISI 316 с гайками из нержавеющей стали AISI 304, артикул должен начинаться с `14....`. Пожалуйста, учтите, что данная позиция доступна только по запросу.