Тройник редукционный DL12-06-12 (корпус) арт. 104511.1 от Cast
Тройник редукционный DL12-06-12 (корпус). Соединения с врезным кольцом (DIN 2353). Т-адаптер (серия PRT)
Тройник редукционный, артикул 104511.1, от CAST предназначен для создания разветвлённых трубных соединений в гидравлических системах. Используется для подключения трубопроводов разного диаметра, обеспечивая надежную герметизацию в системах со стандартным давлением. Применяется в станкостроении, мобильной гидравлике и других промышленных приложениях.
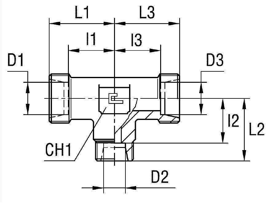
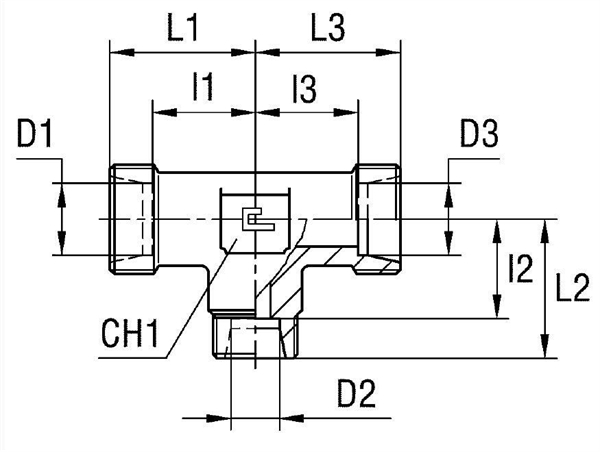
Конструкция данного фитинга CAST обеспечивает надежное редуцированное соединение трех трубопроводов. Соответствует стандарту DIN 2353, что гарантирует совместимость с широким спектром трубных соединений с углом конуса 24°. Корпус обеспечивает долговечность и устойчивость к механическим нагрузкам.
- Рабочее давление (WP): 400 бар
- Диаметр трубы M1/D1: 12 мм
- Размер под ключ 1 (CH1): 17 мм
- Серия: L
- Длина L1: 24 мм
- Длина L2: 23 мм
- Длина L3: 24 мм
- Длина L4: 32 мм
- Стандарт трубного соединения: Соединения 24° DIN 2353
Поставляется только корпус тройника. Для заказа фитинга CAST из нержавеющей стали AISI 316 необходимо заменить префикс артикула с 10 на 11. Для заказа из нержавеющей стали AISI 316 с гайкой из нержавеющей стали AISI 304, замените первые две цифры артикула с 10 на 14. Применение нержавеющей стали обеспечивает повышенную коррозионную стойкость и возможность использования в агрессивных средах.