Тройник редукционный DL10-15-10 (корпус) арт. 104517.1 от Cast
Тройник редукционный DL10-15-10 (корпус). Соединения с врезным кольцом (DIN 2353). Т-адаптер (серия PRT)
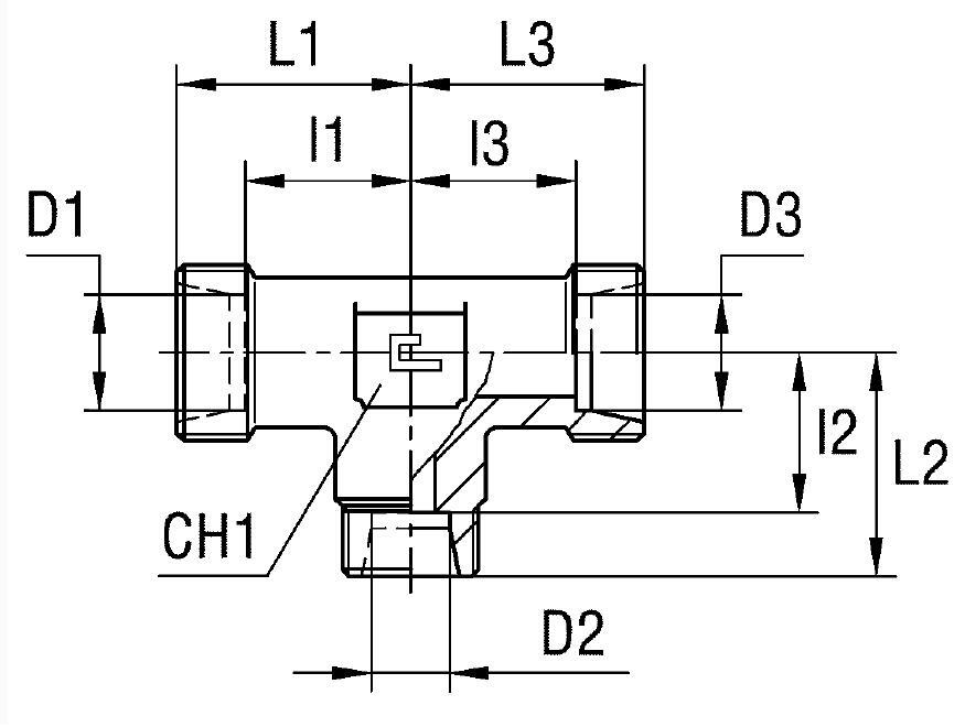
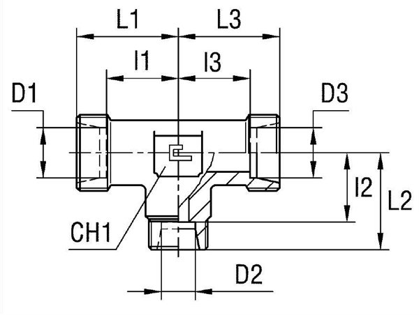
Редукционный Т-образный корпус фитинга, артикул 104517.1, относится к легкой серии (L) производителя CAST. Основное назначение – создание надежного, герметичного и компактного ответвления в гидравлических трубопроводах с необходимостью перехода на другой диаметр. Корпус DL10-15-10 рассчитан на максимальное рабочее давление 400 бар и широко применяется в стационарных станках, промышленной автоматизации, системах смазки и топливных контурах, где требуется надежное трубное соединение.
Конструктивно данный элемент представляет собой тройник с тремя портами, рассчитанными под врезное кольцо и накидную гайку (комплектующие приобретаются отдельно). Корпус обеспечивает соединение трубопроводов номинальным диаметром 10 мм (2 порта) и 15 мм (1 порт). Полное соответствие стандарту DIN 2353 (ISO 8434-1) гарантирует совместимость с любыми компонентами, использующими 24-градусный конус, и высокую точность монтажа в условиях ограниченного пространства.
- Рабочее давление (WP): 400 бар
- Серия соединения: L (Легкая)
- Номинальные диаметры трубы (D1-D2-D3): 10-15-10 мм
- Стандарт трубного соединения: Соединения 24° DIN 2353
Стандартное исполнение выполнено из высокопрочной углеродистой стали. Для работы в агрессивных или высококоррозионных средах предусмотрены специальные исполнения. При заказе корпуса из нержавеющей стали AISI 316 необходимо изменить префикс артикула на 11…, а для исполнения из нержавеющей стали AISI 316 с гайкой из AISI 304 — на префикс 14…. Обратите внимание, что данная позиция поставляется как отдельный корпус без комплектующих и доступна только по запросу.