Тройник под кольцо DL22 M30x2 в сборе, артикул 605010 от Cast
Тройник под кольцо DL22 M30x2 в сборе. Соединения с врезным кольцом (DIN 2353). Т-адаптеры DIN 2353
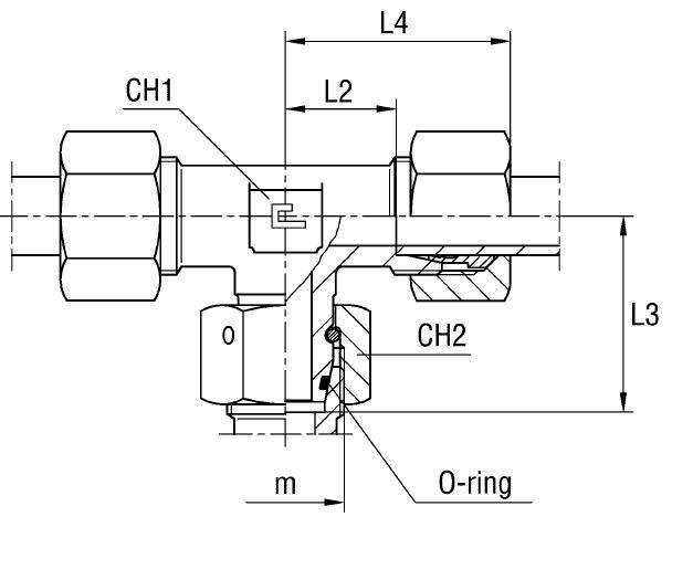
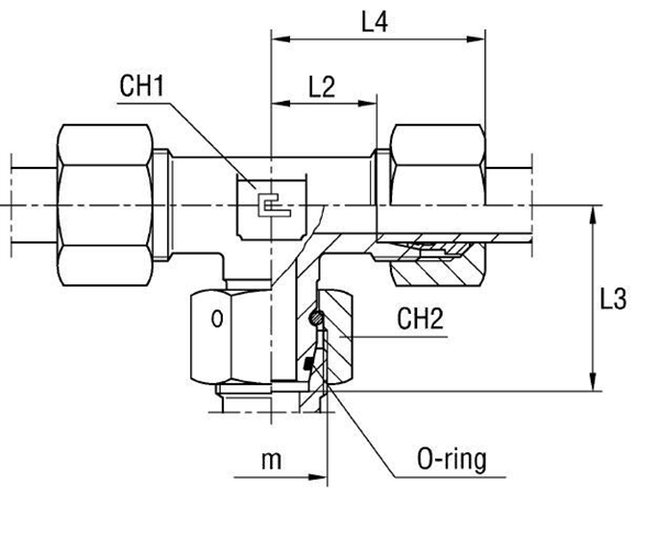
Тройник под кольцо, артикул 605010, предназначен для создания разветвленного трубного соединения в гидравлических системах. Произведен компанией CAST, серия L, и используется для работы со стандартным давлением в гидравлике, смазочных системах и мобильной технике.
Конструкция тройника обеспечивает надежное и герметичное соединение согласно стандарту DIN 2353. Конструкция обеспечивает надежное соединение с трубками диаметром 22 мм с использованием резьбы M30x2. Подходит для использования в системах, соответствующих конусности 24°.
- Рабочее давление (WP): 250 бар
- Диаметр трубы M1/D1: 22 мм
- Размер под ключ 2 (CH2): 36 мм
- Размер под ключ 1 (CH1): 27 мм
- Резьба 1: M30x2
- Стандарт трубного соединения: Соединения 24° DIN 2353
Данный фитинг CAST поставляется в сборе, готов к установке. Материал изделия – сталь. Для заказа тройника из нержавеющей стали AISI 316 необходимо изменить префикс артикула с 60 на 61. Использование нержавеющей стали обеспечивает высокую коррозионную стойкость и возможность применения в агрессивных средах.