Тройник гидравлический BSP 3/8" (Г-Г-Г) арт. 306803 от Cast
Тройник гидравлический BSP 3/8" (Г-Г-Г). Соединения с уплотнением по конусу 60° (BSP). Тройник-фитинг BSP с накидной гайкой
Представляем гидравлический тройник артикул 306803 от ведущего производителя CAST, входящий в универсальную серию. Этот фитинг предназначен для эффективного разветвления гидравлического потока и создания надежных трехсторонних соединений в трубопроводах. Его основное назначение – обеспечение герметичного подключения в условиях стандартного и высокого давления. Области применения охватывают широкий спектр индустриального и мобильного оборудования, включая станки, сельскохозяйственную и строительную технику, где требуется прочное и долговечное гидравлическое соединение с BSP резьбой.
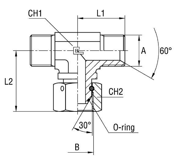
Конструктивно тройник представляет собой литое изделие с тремя внутренними резьбовыми портами (Г-Г-Г), выполненными по стандарту 60° BS-5200, соответствующему BSP. Такая конструкция обеспечивает прямое и угловое подключение компонентов без необходимости использования дополнительных адаптеров для изменения направления потока. Конусное уплотнение 60° гарантирует высокую герметичность и устойчивость к вибрациям, что критически важно для надежной работы гидравлических систем.
- Артикул: 306803
- Рабочее давление (WP): 400 бар
- Тип резьбы: BSP 3/8" (внутренняя на всех портах)
- Стандарт соединения: 60° BS-5200 (конус)
- Размер под ключ CH1: 19 мм
- Размер под ключ CH2: 22 мм
- Длина L1: 29 мм
- Длина L2: 29 мм
- Производитель: CAST
Стандартное исполнение данного тройника выполнено из высококачественной стали, обеспечивающей прочность и долговечность. Для использования в агрессивных средах, требующих повышенной коррозионной стойкости, доступна версия из нержавеющей стали AISI 316. Для заказа такой модификации достаточно изменить префикс артикула с `30...` на `31...`. Важно отметить, что данный фитинг поставляется без уплотнительных шайб или дополнительных элементов, предполагая использование стандартных компонентов системы с соответствующей BSP резьбой.