Тройник гидравлический BSP 1/4" (Г-Г-Г) арт. 306802 от Cast
Тройник гидравлический BSP 1/4" (Г-Г-Г). Соединения с уплотнением по конусу 60° (BSP). Тройник-фитинг BSP с накидной гайкой
Данный угловой фитинг (тройник) CAST, артикул 306802, предназначен для создания герметичного и компактного разветвления гидравлических линий. Изделие из универсальной серии обеспечивает надежное подключение трех рукавов высокого давления (РВД) или трубных соединений в одной точке. Тройник рассчитан на работу в системах со стандартным давлением до 400 бар и широко применяется в стационарных станках, промышленном машиностроении, а также в мобильной спецтехнике, где требуется организация сложной схемы трубопроводов.
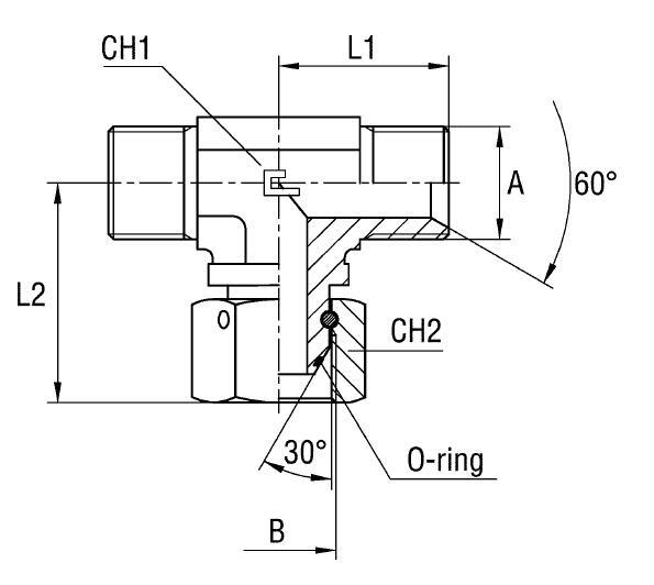
Конструкция представляет собой равнопроходной гидравлический тройник с тремя внутренними резьбами BSP 1/4". Резьбовое соединение соответствует стандарту 60° BS-5200 (аналог BSPP), что гарантирует высокую степень герметичности при монтаже с использованием соответствующих уплотнительных элементов. Этот фитинг CAST спроектирован для обеспечения оптимальной пропускной способности потока рабочей жидкости и высокой устойчивости к вибрационным и импульсным нагрузкам в контуре высокого давления.
- Рабочее давление (WP): 400 бар
- Размер резьбы (A/B): BSP 1/4" (Г-Г-Г)
- Стандарт трубного соединения: Соединение 60° BS-5200
- Размер под ключ (CH2 / CH1): 19 мм / 14 мм
- Артикул производителя: 306802
Стандартное исполнение изготовлено из высокопрочной углеродистой стали с защитным покрытием. Для эксплуатации в агрессивных средах или условиях повышенной влажности, требующих максимальной коррозионной стойкости, доступно исполнение из нержавеющей стали AISI 316. Для заказа нержавеющего варианта необходимо изменить префикс артикула с 30... на 31..., что гарантирует долговечность и надежность трубного соединения даже в самых сложных промышленных условиях.