Тройник гидравлический BSP 1/2" (Ш-Ш-Ш) арт. 303404 от Cast
Тройник гидравлический BSP 1/2" (Ш-Ш-Ш). Соединения с уплотнением по конусу 60° (BSP). Т-адаптер BSP
Представляем высококачественный гидравлический фитинг CAST (артикул 303404), выполненный в виде равнопроходного тройника с внутренней резьбой (Ш-Ш-Ш) по всем трем портам. Основное назначение – создание надежного, компактного разветвления потока рабочей жидкости в гидравлических магистралях. Фитинги данной универсальной серии активно применяются в мобильной технике, промышленных станках, системах смазки и топливных линиях, рассчитанных на стандартное рабочее давление.
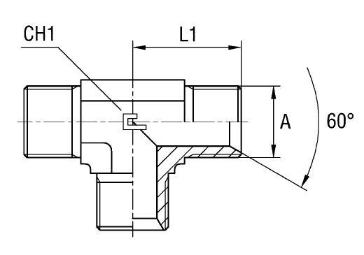
Конструкция тройника обеспечивает максимальную герметичность и прочность соединения, критически важную для гидравлических систем. Соединительные порты выполнены по стандарту BSP (British Standard Pipe), обеспечивающему конусное уплотнение 60° согласно BS-5200. Данный тип трубного соединения гарантирует простоту монтажа и совместимость с большинством европейских компонентов без необходимости применения дополнительных уплотнительных колец или плоских шайб.
- Рабочее давление (WP): 350 бар
- Номинальный размер резьбы (BSP): 1/2"
- Стандарт соединения: Соединения 60° BS-5200
- Материал исполнения (стандарт): Высокопрочная углеродистая сталь
- Размер под ключ (CH1): 22 мм
- Общая длина L1: 34 мм
Стандартное исполнение фитинга изготовлено из высокопрочной углеродистой стали с надежным антикоррозионным покрытием. Для эксплуатации в агрессивных и высококоррозионных средах (например, химическая, пищевая промышленность или морские установки) доступен вариант исполнения из нержавеющей стали AISI 316. Для заказа коррозионностойкого исполнения необходимо изменить префикс артикула с 30... на 31..., что гарантирует соответствие материала повышенным требованиям.