Тройник гидравлический BSP 1/2" (Г-Г-Г) арт. 306804 от Cast
Тройник гидравлический BSP 1/2" (Г-Г-Г). Соединения с уплотнением по конусу 60° (BSP). Тройник-фитинг BSP с накидной гайкой
Тройник гидравлический CAST, артикул 306804, представляет собой универсальный компонент, предназначенный для создания надежного и герметичного разветвления в гидравлических линиях. Этот гидравлический тройник обеспечивает подключение трех магистралей с внутренней резьбой BSP 1/2" в одной точке, что критически важно для оптимизации трубопроводных систем. Разработанный для стандартного рабочего давления, он находит широкое применение в промышленных гидравлических установках, мобильной технике, станках и системах смазки, где требуется компактное и эффективное трубное соединение BSP.
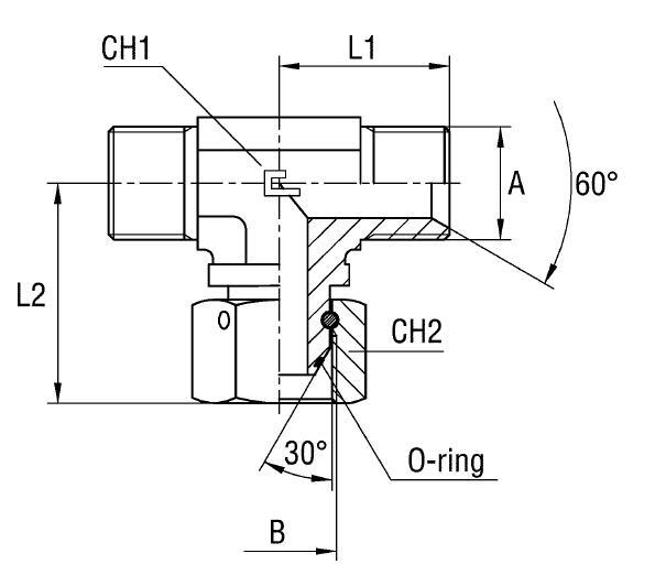
Конструктивно фитинг выполнен в виде кованого тройника с тремя портами, каждый из которых имеет внутреннюю резьбу BSP (G) с конусностью 60°. Такое исполнение гарантирует высокую герметичность при соединении с соответствующими штуцерами и уплотнительными шайбами. Соответствие стандартам 60° BS-5200 (ISO 8434-6) подтверждает надежность и совместимость данного фитинга с распространенными гидравлическими компонентами, делая его стандартным решением для большинства применений.
- Артикул: 306804
- Рабочее давление (WP): 350 бар
- Тип резьбы: BSP G 1/2" (внутренняя)
- Стандарт соединения: 60° BS-5200
- Размеры под ключ (CH1/CH2): 22 мм / 27 мм
- Производитель: CAST, универсальная серия
Стандартное исполнение фитинга CAST выполнено из высокопрочной стали, обеспечивающей долговечность и устойчивость к высоким нагрузкам. Для эксплуатации в условиях повышенной коррозии, агрессивных сред или в пищевой промышленности, доступно исполнение из нержавеющей стали AISI 316. Для заказа изделия из нержавеющей стали достаточно изменить префикс артикула с 30... на 31.... Фитинг поставляется без уплотнительных шайб, которые подбираются и заказываются отдельно в соответствии с требованиями системы.