Тройник центральный BSP 3/8" (Г-Г-Г) арт. 306005 от Cast
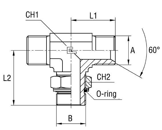
Тройник центральный BSP 3/8" (Г-Г-Г). Соединения с уплотнением по конусу 60° (BSP). Т-адаптер BSP (уплотнение по конусу)
Тройник центральный CAST с артикулом 306005 представляет собой компонент для создания разветвленных гидравлических линий. Данный фитинг CAST предназначен для организации герметичного соединения трех участков трубопровода под углом 90 градусов, обеспечивая компактное подключение в системах с ограниченным пространством. Изделие от производителя CAST, относящееся к универсальной серии, оптимально подходит для применения в гидравлических системах стандартного и низкого давления, в том числе для смазочных, топливных и промышленных линий станков и мобильной техники.
Конструкция данного трубного соединения выполнена в виде тройника с тремя внутренними резьбовыми портами стандарта BSP 3/8", что обеспечивает универсальность и надежность монтажа. Соответствие стандарту BS-5200 (соединения 60°) гарантирует совместимость с соответствующими трубными соединениями и обеспечивает высокую герметичность. Изделие спроектировано для оптимального распределения потоков рабочей среды в гидравлических контурах.
- Артикул: 306005
- Бренд: CAST
- Рабочее давление (WP): 250 бар
- Размер A (USIT): 3/8"
- Размер B: 3/8"
- Размер под ключ CH1: 19 мм
- Размер под ключ CH2: 22 мм
- Длина L1: 29 мм
- Длина L2: 37 мм
- Стандарт трубного соединения: Соединения 60° BS-5200
Тройник поставляется без дополнительных уплотнительных шайб или концевых фитингов. Стандартное исполнение детали выполнено из стали. Для систем, требующих повышенной коррозионной стойкости или работы в агрессивных средах, доступна версия из нержавеющей стали AISI 316. Для заказа изделия из нержавеющей стали необходимо изменить первые две цифры артикула с 30.... на 31...., например, 316005. Это позволяет адаптировать компонент под специфические требования эксплуатации.