Тройник центральный BSP 1/4" (Г-Г-Г) арт. 306003 от Cast
Тройник центральный BSP 1/4" (Г-Г-Г). Соединения с уплотнением по конусу 60° (BSP). Т-адаптер BSP (уплотнение по конусу)
Тройник центральный с внутренней резьбой BSP 1/4", артикул 306003, от производителя CAST предназначен для создания герметичных соединений в гидравлических системах. Этот элемент обеспечивает компактное и надежное подключение трех линий, что делает его идеальным для распределения потоков в низконапорных и стандартных гидравлических сетях, системах смазки, подачи топлива, а также в станочном оборудовании и мобильной технике.
Конструкция данного фитинга CAST соответствует стандарту BS-5200 (соединения 60°), что гарантирует надежность и совместимость с большинством компонентов гидравлических систем. Тройник обеспечивает прочное трубное соединение, предотвращая утечки и обеспечивая стабильную работу оборудования. Он рассчитан на рабочее давление до 315 бар, что подтверждает его пригодность для средних нагрузок.
- Артикул: 306003
- Бренд: CAST
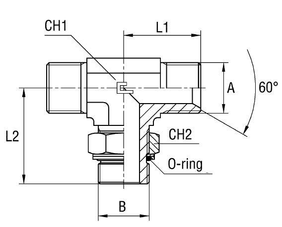
- Размер A (USIT): 1/4"
- Размер B: 1/4"
- Рабочее давление (WP): 315 бар
- Размер под ключ 1 (CH1): 14 мм
- Размер под ключ 2 (CH2): 19 мм
- Длина L1: 26 мм
- Длина L2: 32 мм
- Стандарт трубного соединения: Соединения 60° BS-5200
- Серия: Универсальная
Тройник выполнен из стали. Для обеспечения коррозионной стойкости и применения в агрессивных средах доступна модификация из нержавеющей стали AISI 316. Для заказа этой версии необходимо заменить первые две цифры артикула с "30" на "31" (например, 316003). Изделие не комплектуется уплотнительными шайбами, которые при необходимости приобретаются отдельно.