Тройник центральный BSP 1/2" (Г-Г-Г) арт. 306007 от Cast
Тройник центральный BSP 1/2" (Г-Г-Г). Соединения с уплотнением по конусу 60° (BSP). Т-адаптер BSP (уплотнение по конусу)
Тройник центральный артикул 306007 от производителя CAST — это высоконадежный фитинг CAST, предназначенный для создания герметичных разветвлений в гидравлических системах. Изделие обеспечивает удобное и безопасное подключение трех линий с внутренней резьбой BSP 1/2". Данный элемент идеально подходит для применения в системах низкого и стандартного давления, в том числе для смазочных, топливных и промышленных гидравлических контуров станков и мобильной техники.
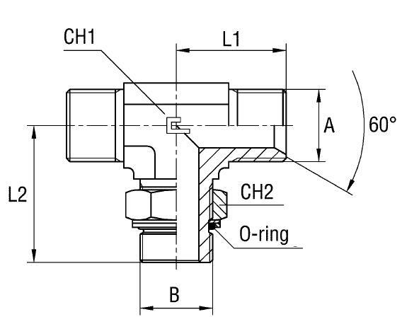
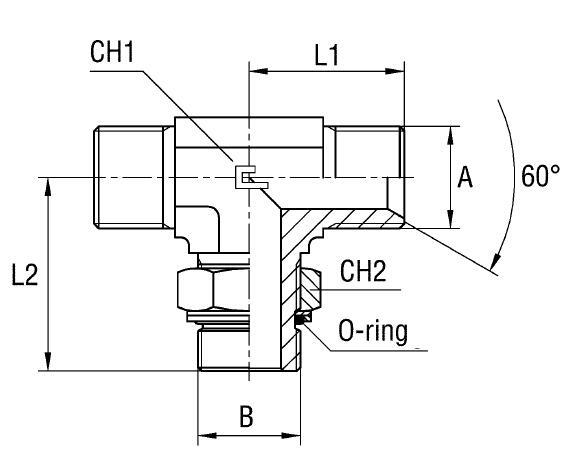
Конструктивно фитинг представляет собой Т-образный элемент, обеспечивающий надежное соединение по стандарту 60° BS-5200. Он совместим с широким спектром трубных соединений, гарантируя высокую герметичность и устойчивость к вибрациям. Конфигурация "Г-Г-Г" (внутренняя резьба на всех трех концах) упрощает монтаж и позволяет создавать компактные гидравлические схемы.
- Артикул: 306007
- Рабочее давление (WP): 250 бар
- Размер под ключ 1 (CH1): 22 мм
- Размер под ключ 2 (CH2): 30 мм
- Длина L1: 34 мм
- Длина L2: 43 мм
- Размер A (USIT): 1/2"
- Размер B: 1/2"
- Стандарт трубного соединения: 60° BS-5200
- Серия: Универсальная
Стандартно тройник поставляется из высокопрочной стали. Для применений в агрессивных средах или условиях, требующих повышенной коррозионной стойкости, доступна версия из нержавеющей стали AISI 316. Для заказа изделия из нержавеющей стали необходимо изменить префикс артикула с "30" на "31" (например, 316007), что гарантирует получение соответствующего исполнения и обеспечивает долговечность узла даже в самых сложных условиях эксплуатации.