Соединение PNТ DL12 М18х1.5 (в сборе) от Cast
Соединение PNТ DL12 М18х1.5 (в сборе) от Cast
952
руб.
Есть в наличии
Доступно
Артикул:
605007
Вес:
0
кг.
Если Вы хотите заказать изделие из нержавеющей стали, замените первые две цифры артикула с 60.... на 61....
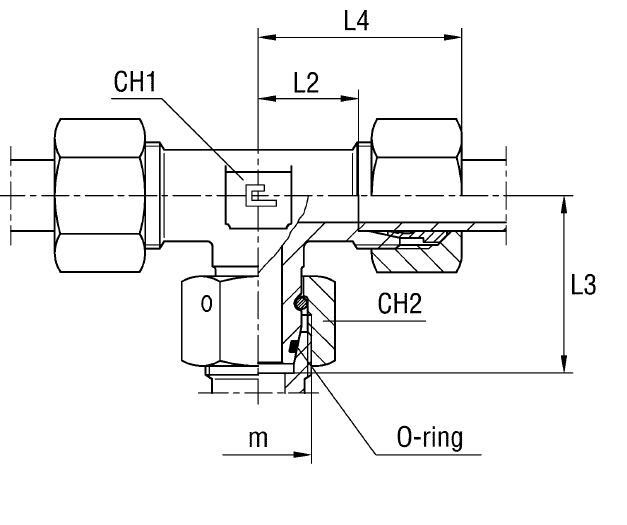
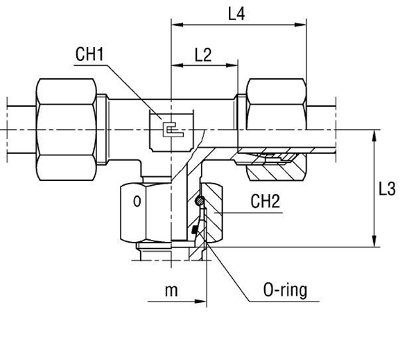
Характеристики
| Артикул | Бренд | CH1 | CH2 | CH3 | L1 (мм) | L2 (мм) | L3 | L4 | Ø трубы D1 | Ø трубы D2 | WP (bar) | резьба m D1 | резьба m D2 | серия | Стандарт ТС |
| 605007 | CAST | 17 | 22 | 22 | 24 | 17 | 29,5 | 32 | 12 | 12 | 400 | 18x1.5 | 18x1.5 | L | Соединения 24° DIN 2353 |
-
D трубы M1 D112
-
WP (bar) рабочее давление400
-
Размер CH117
-
Размер CH222
-
Размер L1 (мм)24
-
Размер L2 (мм)17
-
Размер L329,5
-
Размер L432
-
Размер резьбы 118x1.5
-
СерияL
-
Стандарт трубных соединенийСоединения 24° DIN 2353
Отзывы могут оставлять только авторизованные пользователи, которые покупали данный товар
С этим товаром покупают
Похожие товары