Соединение PFNL BSP 3/4" от Cast
Соединение PFNL BSP 3/4" от Cast
1 522
руб.
Есть в наличии
Доступно
Артикул:
306606
Вес:
0
кг.
Если Вы хотите заказать изделие из нержавеющей стали, замените первые две цифры артикула с 30.... на 31....
Характеристики
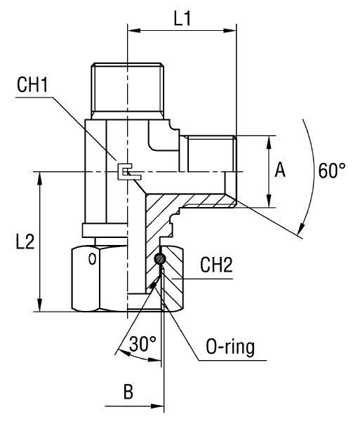
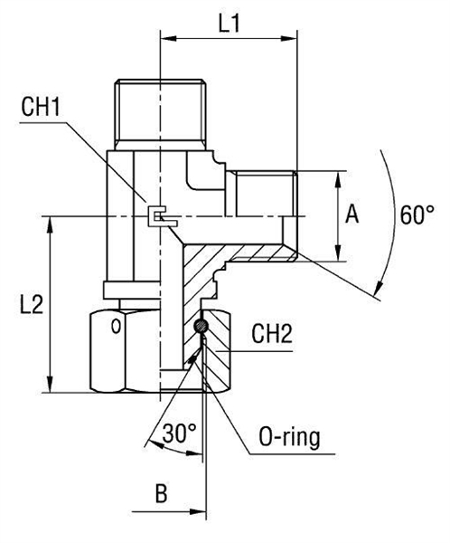
| Артикул | Бренд | A +0,13 -0,00 | B | CH1 | CH2 | L1 (мм) | L2 (мм) | WP (bar) | серия | Стандарт ТС |
| 306606 | CAST | 3/4 | 3/4 | 27 | 32 | 41 | 53,5 | 315 | Универсальная | Соединения 60° BS-5200 |
-
USIT Размер A +0,13 -0,003/4
-
WP (bar) рабочее давление315
-
Размер B3/4
-
Размер CH127
-
Размер CH232
-
Размер L1 (мм)41
-
Размер L2 (мм)53,5
-
СерияУниверсальная
-
Стандарт трубных соединенийСоединения 60° BS-5200
Отзывы могут оставлять только авторизованные пользователи, которые покупали данный товар
С этим товаром покупают
Похожие товары