Соединение PFNL BSP 1/2" от Cast
Соединение PFNL BSP 1/2" от Cast
920
руб.
Есть в наличии
Доступно
Артикул:
306604
Вес:
0
кг.
Если Вы хотите заказать изделие из нержавеющей стали, замените первые две цифры артикула с 30.... на 31....
Характеристики
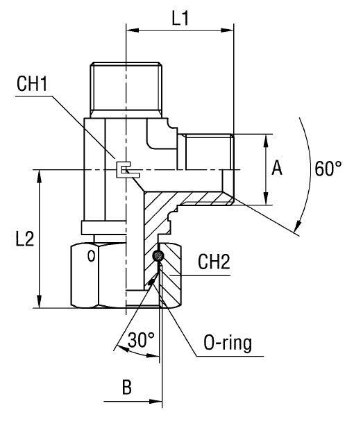
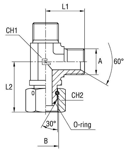
| Артикул | Бренд | A +0,13 -0,00 | B | CH1 | CH2 | L1 (мм) | L2 (мм) | WP (bar) | серия | Стандарт ТС |
| 306604 | CAST | 1/2 | 1/2 | 22 | 27 | 34 | 43 | 350 | Универсальная | Соединения 60° BS-5200 |
-
USIT Размер A +0,13 -0,001/2
-
WP (bar) рабочее давление350
-
Размер B1/2
-
Размер CH122
-
Размер CH227
-
Размер L1 (мм)34
-
Размер L2 (мм)43
-
СерияУниверсальная
-
Стандарт трубных соединенийСоединения 60° BS-5200
Отзывы могут оставлять только авторизованные пользователи, которые покупали данный товар
С этим товаром покупают
Похожие товары