Соединение PFE BSP 1/2" BSP 1" от Cast
Соединение PFE BSP 1/2" BSP 1" от Cast
794
руб.
Есть в наличии
Доступно
Артикул:
107512
Вес:
0
кг.
Если Вы хотите заказать изделие из нержавеющей стали, замените первые две цифры артикула с 10... на 11...
Характеристики
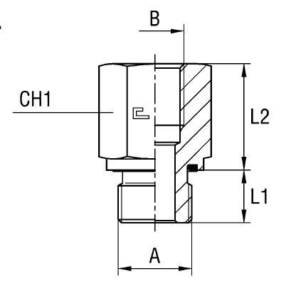
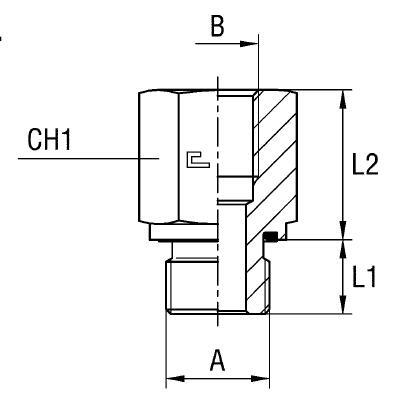
| Артикул | Бренд | A +0,13 -0,00 | B | CH1 | L1 (мм) | L2 (мм) | WP (bar) | серия | Стандарт ТС |
| 107512 | CAST | 1/2 | 1 | 41 | 14 | 35 | 315 | L/S | Соединения 24° DIN 2353 |
-
USIT Размер A +0,13 -0,001/2
-
WP (bar) рабочее давление315
-
Размер B1
-
Размер CH141
-
Размер L1 (мм)14
-
Размер L2 (мм)35
-
СерияL/S
-
Стандарт трубных соединенийСоединения 24° DIN 2353
Отзывы могут оставлять только авторизованные пользователи, которые покупали данный товар
С этим товаром покупают
Похожие товары