Соединение P BSP 5/8" М22х1.5 от Cast
Соединение P BSP 5/8" М22х1.5 от Cast
772
руб.
Есть в наличии
Доступно
Артикул:
300719
Вес:
0
кг.
Если Вы хотите заказать изделие из нержавеющей стали, замените первые две цифры артикула с 30.... на 31....
Позиция доступна только в плановых заказах.
Для уплотнительных систем с омедненной прокладкой, обратитесь к нормам давления по позициям 3001...
Позиция доступна только в плановых заказах.
Для уплотнительных систем с омедненной прокладкой, обратитесь к нормам давления по позициям 3001...
Характеристики
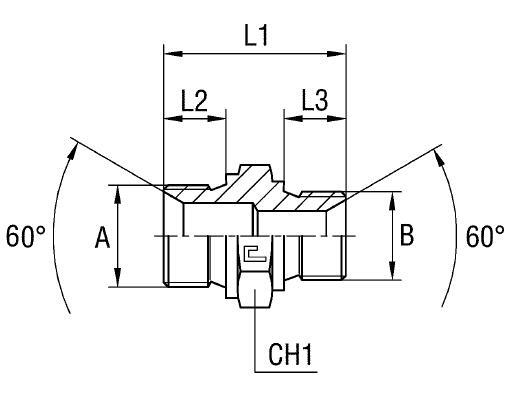
| Артикул | Бренд | A +0,13 -0,00 | B | CH1 | L1 (мм) | L2 (мм) | L3 | WP (bar) | серия | Стандарт ТС |
| 300719 | CAST | 5/8 | 22x1.5 | 30 | 43 | 16 | 14 | 350 | Универсальная | Соединения 60° BS-5200 |
-
USIT Размер A +0,13 -0,005/8
-
WP (bar) рабочее давление350
-
Размер B22x1.5
-
Размер CH130
-
Размер L1 (мм)43
-
Размер L2 (мм)16
-
Размер L314
-
СерияУниверсальная
-
Стандарт трубных соединенийСоединения 60° BS-5200
Отзывы могут оставлять только авторизованные пользователи, которые покупали данный товар
С этим товаром покупают
Похожие товары