Соединение P BSP 1/4" М12х1.5 от Cast
Соединение P BSP 1/4" М12х1.5 от Cast
479
руб.
Есть в наличии
Доступно
Артикул:
300704
Вес:
0
кг.
Если Вы хотите заказать изделие из нержавеющей стали, замените первые две цифры артикула с 30.... на 31....
Позиция доступна только в плановых заказах.
Для уплотнительных систем с омедненной прокладкой, обратитесь к нормам давления по позициям 3001...
Позиция доступна только в плановых заказах.
Для уплотнительных систем с омедненной прокладкой, обратитесь к нормам давления по позициям 3001...
Характеристики
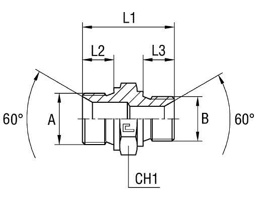
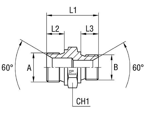
| Артикул | Бренд | A +0,13 -0,00 | B | CH1 | L1 (мм) | L2 (мм) | L3 | WP (bar) | серия | Стандарт ТС |
| 300704 | CAST | 1/4 | 12x1.5 | 19 | 33 | 11 | 12 | 400 | Универсальная | Соединения 60° BS-5200 |
-
USIT Размер A +0,13 -0,001/4
-
WP (bar) рабочее давление400
-
Размер B12x1.5
-
Размер CH119
-
Размер L1 (мм)33
-
Размер L2 (мм)11
-
Размер L312
-
СерияУниверсальная
-
Стандарт трубных соединенийСоединения 60° BS-5200
Отзывы могут оставлять только авторизованные пользователи, которые покупали данный товар
С этим товаром покупают
Похожие товары