Штуцер ввертной регулируемый 90 BSP 3/8" DL12 уплотнение G (в сборе) от Cast
Штуцер ввертной регулируемый 90 BSP 3/8" DL12 уплотнение G (в сборе) от Cast
940
руб.
Есть в наличии
Доступно
Артикул:
106107
Вес:
0
кг.
Если Вы хотите заказать фитинг из нержавеющей стали AISI 316, замените первые две цифры артикула с 10.... на 11....
Если Вы хотите заказать фитинг из нержавеющей стали AISI 316 с гайкой из нержавеющей стали AISI 304, замените первые две цифры артикула с 10.... на 14....
Позиция не соответствует норме ISO 8434-1, доступна только по запросу.
Если Вы хотите заказать фитинг из нержавеющей стали AISI 316 с гайкой из нержавеющей стали AISI 304, замените первые две цифры артикула с 10.... на 14....
Позиция не соответствует норме ISO 8434-1, доступна только по запросу.
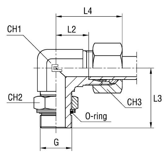
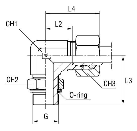
Характеристики
| Артикул | Бренд | CH1 | CH2 | CH3 | L1 (мм) | L2 (мм) | L3 | L4 | Ø трубы D1 | WP (bar) | Исполнение трубного соединения | резьба G | Резьба ТС 1 | серия | Стандарт ТС | Тип трубного соединения |
| 106107 | CAST | 19 | 22 | 22 | 24 | 17 | 37 | 32 | 12 | 250 | 90 град. | 3/8 | BSP | L | Соединения 24° DIN 2353 | ввертной |
-
D трубы M1 D112
-
WP (bar) рабочее давление250
-
Исполнение трубного соединения90 град.
-
Размер CH119
-
Размер CH222
-
Размер L1 (мм)24
-
Размер L2 (мм)17
-
Размер L337
-
Размер L432
-
Размер резьбы 53/8
-
СерияL
-
Стандарт трубных соединенийСоединения 24° DIN 2353
-
Тип трубного соединенияввертной
Отзывы могут оставлять только авторизованные пользователи, которые покупали данный товар
С этим товаром покупают
Похожие товары