Штуцер FRNG90 М 22х1.5 М22х1.5 от Cast
Штуцер FRNG90 М 22х1.5 М22х1.5 от Cast
2 120
руб.
Есть в наличии
Доступно
Артикул:
308510
Вес:
0
кг.
Если Вы хотите заказать изделие из нержавеющей стали, замените первые две цифры артикула с 30.... на 31....
Позиция доступна только по запросу.
Позиция доступна только по запросу.
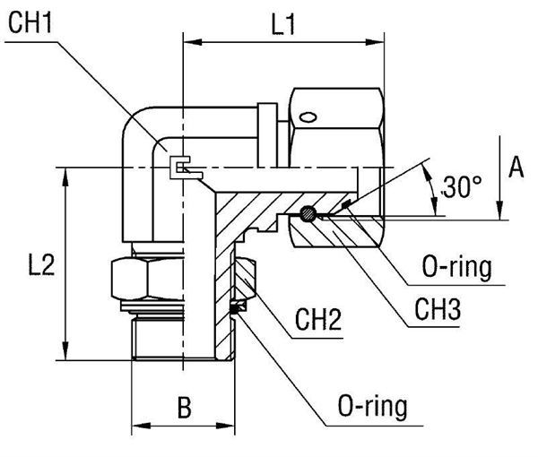
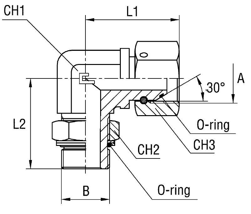
Характеристики
| Артикул | Бренд | A +0,13 -0,00 | B | CH1 | CH2 | CH3 | L1 (мм) | L2 (мм) | WP (bar) | серия | Стандарт ТС |
| 308510 | CAST | 22x1.5 | 22x1.5 | 22 | 27 | 27 | 44 | 42 | 250 | Универсальная | Соединения 60° BS-5200 |
-
USIT Размер A +0,13 -0,0022x1.5
-
WP (bar) рабочее давление250
-
Размер B22x1.5
-
Размер CH122
-
Размер CH227
-
Размер L1 (мм)44
-
Размер L2 (мм)42
-
СерияУниверсальная
-
Стандарт трубных соединенийСоединения 60° BS-5200
Отзывы могут оставлять только авторизованные пользователи, которые покупали данный товар
С этим товаром покупают
Похожие товары