Штуцер FRG90 BSP 1" BSP 1" от Cast
Штуцер FRG90 BSP 1" BSP 1" от Cast
1 925
руб.
Есть в наличии
Доступно
Артикул:
305411
Вес:
0
кг.
Если Вы хотите заказать изделие из нержавеющей стали, замените первые две цифры артикула с 30.... на 31....
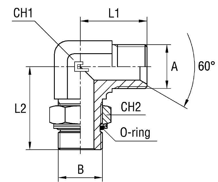
Характеристики
| Артикул | Бренд | A +0,13 -0,00 | B | CH1 | CH2 | L1 (мм) | L2 (мм) | WP (bar) | серия | Стандарт ТС |
| 305411 | CAST | 1 | 1 | 33 | 41 | 45 | 52 | 200 | Универсальная | Соединения 60° BS-5200 |
-
USIT Размер A +0,13 -0,001
-
WP (bar) рабочее давление200
-
Размер B1
-
Размер CH133
-
Размер CH241
-
Размер L1 (мм)45
-
Размер L2 (мм)52
-
СерияУниверсальная
-
Стандарт трубных соединенийСоединения 60° BS-5200
Отзывы могут оставлять только авторизованные пользователи, которые покупали данный товар
С этим товаром покупают
Похожие товары