Штуцер FC90 DS10 BSPT 3/8" (корпус) от Cast
Штуцер FC90 DS10 BSPT 3/8" (корпус) от Cast
467
руб.
Есть в наличии
Доступно
Артикул:
102016.1
Вес:
0
кг.
Если Вы хотите заказать фитинг из нержавеющей стали AISI 316, замените первые две цифры артикула с 10.... на 11....
Если Вы хотите заказать фитинг из нержавеющей стали AISI 316 с гайкой из нержавеющей стали AISI 304, замените первые две цифры артикула с 10.... на 14....
Позиция не соответствует норме ISO 8434-1.
Если Вы хотите заказать фитинг из нержавеющей стали AISI 316 с гайкой из нержавеющей стали AISI 304, замените первые две цифры артикула с 10.... на 14....
Позиция не соответствует норме ISO 8434-1.
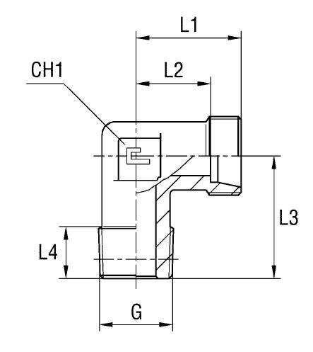
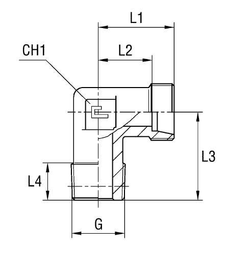
Характеристики
| Артикул | Бренд | CH1 | CH2 | L1 (мм) | L2 (мм) | L3 | L4 | Ø трубы D1 | WP (bar) | резьба G | серия | Стандарт ТС |
| 102016.1 | CAST | 34 | 17 | 25 | 17,5 | 28 | 12 | 10 | 630 | 3/8 | S | Соединения 24° DIN 2353 |
-
D трубы M1 D110
-
WP (bar) рабочее давление630
-
Размер CH134
-
Размер CH217
-
Размер L1 (мм)25
-
Размер L2 (мм)17,5
-
Размер L328
-
Размер L412
-
Размер резьбы 53/8
-
СерияS
-
Стандарт трубных соединенийСоединения 24° DIN 2353
Отзывы могут оставлять только авторизованные пользователи, которые покупали данный товар
С этим товаром покупают
Похожие товары