Штуцер FC90 DL12 BSPT 3/8" (в сборе) от Cast
Штуцер FC90 DL12 BSPT 3/8" (в сборе) от Cast
587
руб.
Есть в наличии
Доступно
Артикул:
102007
Вес:
0
кг.
Если Вы хотите заказать фитинг из нержавеющей стали AISI 316, замените первые две цифры артикула с 10.... на 11....
Если Вы хотите заказать фитинг из нержавеющей стали AISI 316 с гайкой из нержавеющей стали AISI 304, замените первые две цифры артикула с 10.... на 14....
Позиция не соответствует норме ISO 8434-1.
Если Вы хотите заказать фитинг из нержавеющей стали AISI 316 с гайкой из нержавеющей стали AISI 304, замените первые две цифры артикула с 10.... на 14....
Позиция не соответствует норме ISO 8434-1.
Характеристики
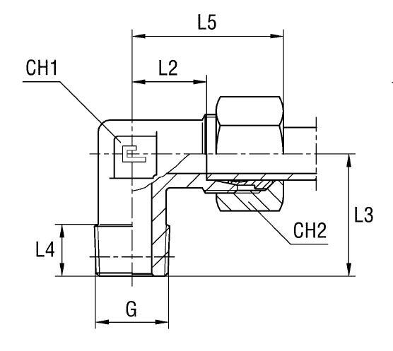
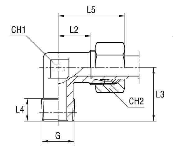
| Артикул | Бренд | CH1 | CH2 | L2 (мм) | L3 | L4 | L5 | Ø трубы D1 | WP (bar) | резьба G | серия | Стандарт ТС |
| 102007 | CAST | 17 | 22 | 17 | 28 | 12 | 32 | 12 | 315 | 3/8 | L | Соединения 24° DIN 2353 |
-
D трубы M1 D112
-
WP (bar) рабочее давление315
-
Размер CH117
-
Размер CH222
-
Размер L2 (мм)17
-
Размер L328
-
Размер L412
-
Размер резьбы 53/8
-
СерияL
-
Стандарт трубных соединенийСоединения 24° DIN 2353
Отзывы могут оставлять только авторизованные пользователи, которые покупали данный товар
С этим товаром покупают
Похожие товары