Штуцер FC BSP 3/8" NPT 3/8" от Cast
Штуцер FC BSP 3/8" NPT 3/8" от Cast
106
руб.
Есть в наличии
Доступно
Артикул:
300405
Вес:
0
кг.
Если Вы хотите заказать изделие из нержавеющей стали, замените первые две цифры артикула с 30.... на 31....
Характеристики
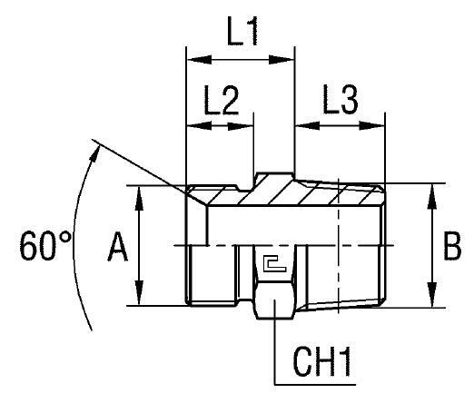
| Артикул | Бренд | A +0,13 -0,00 | B | CH1 | L1 (мм) | L2 (мм) | L3 | WP (bar) | серия | Стандарт ТС |
| 300405 | CAST | 3/8 | 3/8 | 17 | 18 | 12 | 14,5 | 250 | Универсальная | Соединения 60° BS-5200 |
-
USIT Размер A +0,13 -0,003/8
-
WP (bar) рабочее давление250
-
Размер B3/8
-
Размер CH117
-
Размер L1 (мм)18
-
Размер L2 (мм)12
-
Размер L314,5
-
СерияУниверсальная
-
Стандарт трубных соединенийСоединения 60° BS-5200
Отзывы могут оставлять только авторизованные пользователи, которые покупали данный товар
С этим товаром покупают
Похожие товары