Штуцер FC BSP 1/4" NPT 1/4" от Cast
Штуцер FC BSP 1/4" NPT 1/4" от Cast
395
руб.
Есть в наличии
Доступно
Артикул:
300403
Вес:
0
кг.
Если Вы хотите заказать изделие из нержавеющей стали, замените первые две цифры артикула с 30.... на 31....
Характеристики
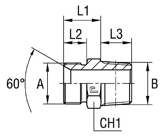
| Артикул | Бренд | A +0,13 -0,00 | B | CH1 | L1 (мм) | L2 (мм) | L3 | WP (bar) | серия | Стандарт ТС |
| 300403 | CAST | 1/4 | 1/4 | 14 | 17 | 11 | 14,5 | 350 | Универсальная | Соединения 60° BS-5200 |
-
USIT Размер A +0,13 -0,001/4
-
WP (bar) рабочее давление350
-
Размер B1/4
-
Размер CH114
-
Размер L1 (мм)17
-
Размер L2 (мм)11
-
Размер L314,5
-
СерияУниверсальная
-
Стандарт трубных соединенийСоединения 60° BS-5200
Отзывы могут оставлять только авторизованные пользователи, которые покупали данный товар
С этим товаром покупают
Похожие товары