Штуцер FA DS25 UNF 1.5/16" (корпус) от Cast
Штуцер FA DS25 UNF 1.5/16" (корпус) от Cast
1 050
руб.
Есть в наличии
Доступно
Артикул:
100921.1
Вес:
0
кг.
Если Вы хотите заказать фитинг из нержавеющей стали AISI 316, замените первые две цифры артикула с 10.... на 11....
Если Вы хотите заказать фитинг из нержавеющей стали AISI 316 с гайкой из нержавеющей стали AISI 304, замените первые две цифры артикула с 10.... на 14....
Если Вы хотите заказать фитинг из нержавеющей стали AISI 316 с гайкой из нержавеющей стали AISI 304, замените первые две цифры артикула с 10.... на 14....
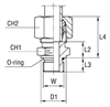
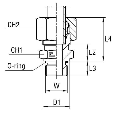
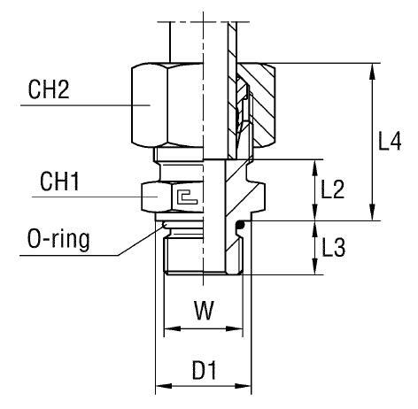
Характеристики
| Артикул | Бренд | CH1 | CH2 | D1 | L1 (мм) | L2 (мм) | L3 | L4 | Ø трубы D1 | WP (bar) | резьба W | серия | Стандарт ТС |
| 100921.1 | CAST | 41 | 46 | 40,8 | 34,9 | 22,9 | 15,1 | 47 | 25 | 400 | 1 5/16-12 | S | Соединения 24° DIN 2353 |
-
D трубы M1 D125
-
WP (bar) рабочее давление400
-
Размер CH141
-
Размер CH246
-
Размер D140,8
-
Размер L1 (мм)34,9
-
Размер L2 (мм)22,9
-
Размер L315,1
-
Размер L447
-
СерияS
-
Стандарт трубных соединенийСоединения 24° DIN 2353
Отзывы могут оставлять только авторизованные пользователи, которые покупали данный товар
С этим товаром покупают
Похожие товары