Штуцер FA DL22 UNF 1.1/16" (в сборе) от Cast
Штуцер FA DL22 UNF 1.1/16" (в сборе) от Cast
1 133
руб.
Есть в наличии
Доступно
Артикул:
100910
Вес:
0
кг.
Если Вы хотите заказать фитинг из нержавеющей стали AISI 316, замените первые две цифры артикула с 10.... на 11....
Если Вы хотите заказать фитинг из нержавеющей стали AISI 316 с гайкой из нержавеющей стали AISI 304, замените первые две цифры артикула с 10.... на 14....
Если Вы хотите заказать фитинг из нержавеющей стали AISI 316 с гайкой из нержавеющей стали AISI 304, замените первые две цифры артикула с 10.... на 14....
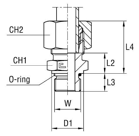
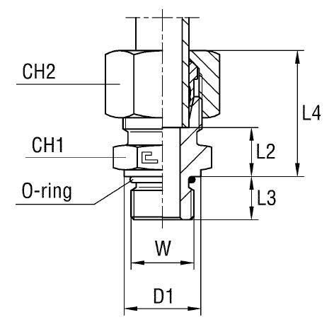
Характеристики
| Артикул | Бренд | CH1 | CH2 | D1 | L1 (мм) | L2 (мм) | L3 | L4 | Ø трубы D1 | WP (bar) | резьба W | серия | Стандарт ТС |
| 100910 | CAST | 32 | 36 | 31,8 | 23,9 | 16,4 | 15,1 | 33 | 22 | 160 | 1 1/16-12 | L | Соединения 24° DIN 2353 |
-
D трубы M1 D122
-
WP (bar) рабочее давление160
-
Размер CH132
-
Размер CH236
-
Размер D131,8
-
Размер L1 (мм)23,9
-
Размер L2 (мм)16,4
-
Размер L315,1
-
Размер L433
-
СерияL
-
Стандарт трубных соединенийСоединения 24° DIN 2353
Отзывы могут оставлять только авторизованные пользователи, которые покупали данный товар
С этим товаром покупают
Похожие товары