Штуцер FA DL12 UNF 3/4" (корпус) от Cast
Штуцер FA DL12 UNF 3/4" (корпус) от Cast
271
руб.
Есть в наличии
Доступно
Артикул:
100926.1
Вес:
0
кг.
Если Вы хотите заказать фитинг из нержавеющей стали AISI 316, замените первые две цифры артикула с 10.... на 11....
Если Вы хотите заказать фитинг из нержавеющей стали AISI 316 с гайкой из нержавеющей стали AISI 304, замените первые две цифры артикула с 10.... на 14....
Если Вы хотите заказать фитинг из нержавеющей стали AISI 316 с гайкой из нержавеющей стали AISI 304, замените первые две цифры артикула с 10.... на 14....
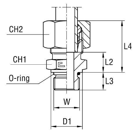
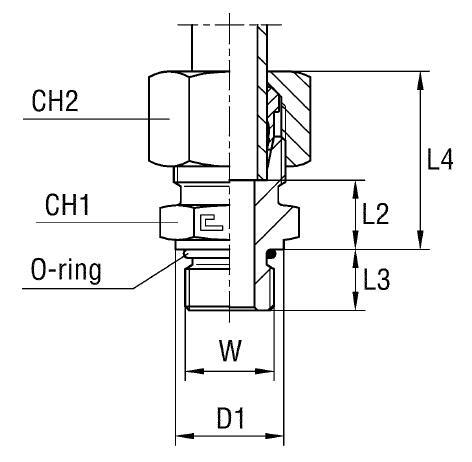
Характеристики
| Артикул | Бренд | CH1 | CH2 | D1 | L1 (мм) | L2 (мм) | L3 | L4 | Ø трубы D1 | WP (bar) | резьба W | серия | Стандарт ТС |
| 100926.1 | CAST | 22 | 22 | 21,8 | 19,9 | 12,9 | 11,1 | 27,5 | 12 | 315 | 3/4-16 | L | Соединения 24° DIN 2353 |
-
D трубы M1 D112
-
WP (bar) рабочее давление315
-
Размер CH122
-
Размер CH222
-
Размер D121,8
-
Размер L1 (мм)19,9
-
Размер L2 (мм)12,9
-
Размер L311,1
-
Размер L427,5
-
СерияL
-
Стандарт трубных соединенийСоединения 24° DIN 2353
Отзывы могут оставлять только авторизованные пользователи, которые покупали данный товар
С этим товаром покупают
Похожие товары