Резьбовая заглушка VE BSP 1/4" (Ш) арт. 107602 от Cast
Резьбовая заглушка VE BSP 1/4" (Ш). Соединения с врезным кольцом (DIN 2353). Ввертной адаптер BSP с уплотнением ED
Представляем резьбовую заглушку VE BSP 1/4" (Ш) с артикулом 107602 от производителя CAST. Данное изделие предназначено для герметичного завершения гидравлических линий, функционирующих в системах среднего и высокого давления. Серия S обеспечивает повышенную надежность и безопасность эксплуатации. Широко применяется в промышленном оборудовании, станках, а также в мобильной технике, где требуется надежное трубное соединение.
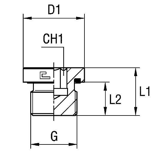
Конструктивно заглушка VE представляет собой элемент для глухого завершения трубопроводов, выполненный в соответствии со стандартом DIN 2353 для конических соединений 24°. Обеспечивает полное перекрытие канала, предотвращая утечки рабочей жидкости. Совместима с соответствующими фитингами и трубами, предназначенными для работы под давлением до 400 бар.
- Рабочее давление (WP): 400 бар
- Тип резьбы: BSP 1/4" (Ш)
- Исполнение: Серия S (Стандартная)
- Соответствие стандарту: DIN 2353 (24° конус)
- Диаметр трубы (D1): 19 мм
- Размер под ключ (CH1): 6 мм
Заглушка VE BSP 1/4" (Ш) изготавливается из высококачественной стали. Для заказа фитинга из коррозионностойкой нержавеющей стали AISI 316 (применение в агрессивных средах) необходимо изменить префикс артикула с 10... на 11.... Комплектация стандартная, без дополнительных уплотнительных элементов, поскольку герметичность обеспечивается конусным соединением. Фитинг CAST данной модели гарантирует долговечность и безупречную работу гидравлических систем.