Резьбовая заглушка VE BSP 1/2" (Ш) арт. 107604 от Cast
Резьбовая заглушка VE BSP 1/2" (Ш). Соединения с врезным кольцом (DIN 2353). Ввертной адаптер BSP с уплотнением ED
Представленная резьбовая заглушка VE BSP 1/2" (Ш), артикул 107604, производства CAST, предназначена для надежного и герметичного закрытия концевых отверстий в гидравлических системах. Является неотъемлемым компонентом при монтаже гидравлических трубопроводов, особенно в станочном оборудовании, гидравлических приводах и мобильной технике, работающей под давлением до 400 бар. Серия "S" обеспечивает компактность и эффективность данного фитинга.
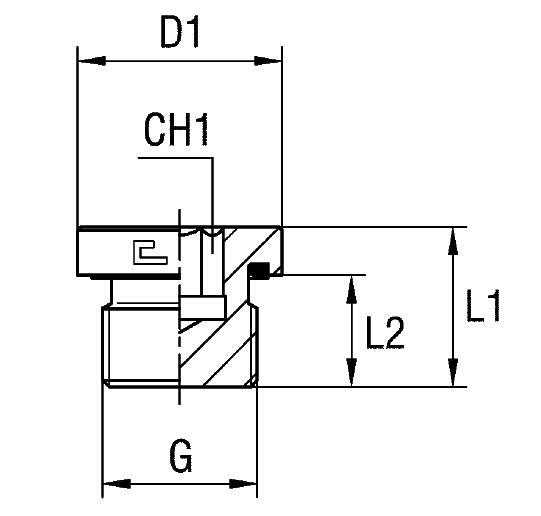
Конструктивно заглушка выполнена как цельный элемент с внутренней резьбой BSP 1/2" и посадочным конусом 24° согласно стандарту DIN 2353, что гарантирует безупречную совместимость с соответствующими фитингами и трубными соединениями. Такая конструкция обеспечивает высокую надежность соединения и предотвращает утечки рабочей жидкости.
- Производитель: CAST
- Артикул: 107604
- Тип: Резьбовая заглушка (VE)
- Резьба: BSP 1/2"
- Стандарт трубного соединения: DIN 2353 (24° конус)
- Рабочее давление (WP): 400 бар
- Диаметр трубы D1: 27 мм
- Размер под ключ CH1: 10 мм
- Длина L1: 19 мм
- Длина L2: 14 мм
Данная заглушка изготовлена из высококачественной стали. Для применения в условиях повышенной коррозии или агрессивных сред, предусмотрена возможность заказа исполнения из нержавеющей стали AISI 316. Для заказа заглушки из нержавеющей стали необходимо использовать артикул с префиксом "11..." вместо "10...". В комплект поставки входят необходимые уплотнительные элементы, обеспечивающие герметичность.