Резьбовая заглушка VE BSP 1-1/4" (Ш) арт. 107607 от Cast
Резьбовая заглушка VE BSP 1-1/4" (Ш). Соединения с врезным кольцом (DIN 2353). Ввертной адаптер BSP с уплотнением ED
Резьбовая заглушка VE, артикул 107607, от производителя CAST предназначена для герметичного завершения гидролиний в системах среднего и высокого давления. Данный элемент обеспечивает надежное перекрытие портов и фитингов, предотвращая утечки рабочей жидкости. Серия S, применима в промышленном оборудовании, гидравлических системах станков, мобильной технике и при транспортировке гидравлических масел.
Конструктивно представляет собой полый фитинг с наружной резьбой BSP и конусным уплотнением, соответствующим стандарту 24° DIN 2353. Обеспечивает герметичное трубное соединение с использованием соответствующих наконечников и гаек. Надежная фиксация достигается за счет высокого качества изготовления и соблюдения стандартов производства.
- Тип фитинга: Резьбовая заглушка
- Производитель: CAST
- Серия: S
- Рабочее давление (WP): 250 бар
- Стандарт соединения: 24° DIN 2353
- Тип резьбы: BSP
- Размер резьбы: 1-1/4"
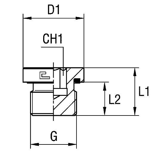
- Диаметр трубы (D1): 50 мм
- Размер под ключ (CH1): 22 мм
Изделие выполнено из углеродистой стали с антикоррозионным покрытием. Для применения в агрессивных средах или при высоких требованиях к коррозионной стойкости доступна версия из нержавеющей стали AISI 316 (артикул начинается с 11...). Осуществляйте заказ, учитывая специфику рабочей среды и требуемый материал. Данный фитинг CAST гарантирует долговечность и надежность вашей гидравлической системы.