Редукционный соединитель DS38 на DS30 (корпус) арт. 104139.1 от Cast
Редукционный соединитель DS38 на DS30 (корпус). Соединения с врезным кольцом (DIN 2353). Прямой адаптер (серия PR)
Артикул 104139.1 представляет собой редукционный соединитель (корпус) производства CAST, относящийся к тяжелой серии S. Этот элемент предназначен для создания герметичного и надежного перехода между гидравлическими линиями различных диаметров, обеспечивая оптимизацию конфигурации трубного соединения. Основное назначение – адаптация диаметра трубопровода в гидравлических системах, работающих под высоким давлением. Данный соединитель находит применение в стационарных промышленных установках, мобильной технике, а также в системах смазки и топливоподачи, где требуется стабильность и долговечность.
Данный редукционный фитинг разработан для создания прочного соединения между трубами с наружными диаметрами 38 мм и 30 мм. Конструкция корпуса обеспечивает полную совместимость с 24° конусными соединениями, соответствующими требованиям стандарта DIN 2353. Важно учитывать, что эта позиция не соответствует норме ISO 8434-1, что делает ее специализированным решением, доступным преимущественно по запросу для специфических инженерных и монтажных задач.
- Артикул: 104139.1
- Рабочее давление (WP): 420 бар
- Серия: S (Тяжелая серия)
- Соединение 1 (диаметр трубы): Ø 38 мм
- Соединение 2 (диаметр трубы): Ø 30 мм
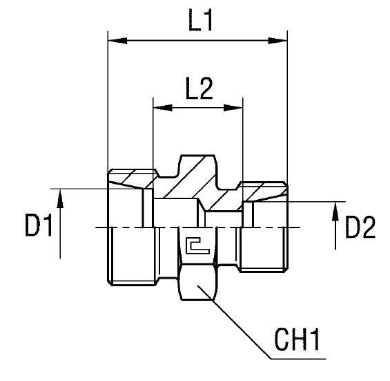
- Стандарт трубного соединения: 24° DIN 2353
- Размер под ключ 1 (CH1): 55 мм
- Размер под ключ 2 (CH2): 60 мм
- Длина L1: 59 мм
- Длина L2: 29.5 мм
- Длина L3: 87 мм
Стандартное исполнение этого фитинга CAST выполнено из высокопрочной стали, гарантирующей надежность в стандартных условиях эксплуатации. Для применения в средах с повышенными требованиями к коррозионной стойкости доступны специальные исполнения: при заказе изделия из нержавеющей стали AISI 316 необходимо заменить префикс артикула с 10.... на 11..... Также предусмотрен вариант из нержавеющей стали AISI 316 с гайкой из AISI 304, который заказывается с префиксом 14..... Обратите внимание, что корпус поставляется без врезных колец и накидных гаек, которые приобретаются отдельно для комплектации полного соединения.