Редукционный соединитель DS30 на DS25 (корпус) арт. 104138.1 от Cast
Редукционный соединитель DS30 на DS25 (корпус). Соединения с врезным кольцом (DIN 2353). Прямой адаптер (серия PR)
Редукционный соединитель, артикул 104138.1, предназначен для надежного соединения труб различных диаметров (30 мм и 25 мм) в гидравлических системах. Производитель CAST, серия S. Применяется для создания переходов в системах, работающих со стандартным и высоким давлением, подходит для использования с гидравлическими маслами, топливом и другими рабочими жидкостями в станках и мобильной технике.
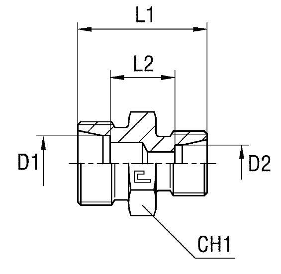
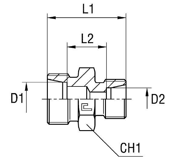
Конструкция представляет собой корпус редукционного фитинга CAST, обеспечивающий герметичное и прочное трубное соединение. Соответствует стандарту DIN 2353 для соединений с врезным кольцом и конусностью 24°. Обеспечивает надежную фиксацию и устойчивость к вибрациям.
- Рабочее давление (WP): 420 бар
- Диаметр трубы M1/D1: 30 мм
- Размер под ключ 2 (CH2): 50 мм
- Размер под ключ 1 (CH1): 46 мм
- Длина L1: 52 мм
- Длина L2: 26,5 мм
- Длина L3: 77 мм
- Стандарт трубного соединения: Соединения 24° DIN 2353
Поставляется как корпус редукционного соединителя. Материал – сталь. Для заказа фитинга CAST из нержавеющей стали AISI 316 необходимо заменить префикс артикула с 10.... на 11...., а для варианта с гайкой из нержавеющей стали AISI 304 - на 14.... Использование нержавеющей стали обеспечивает повышенную коррозионную стойкость, что позволяет применять фитинг в агрессивных средах. Обратите внимание: позиция не соответствует норме ISO 8434-1 и поставляется только по запросу.