Редукционный соединитель DS25 на DS20 (корпус) арт. 104136.1 от Cast
Редукционный соединитель DS25 на DS20 (корпус). Соединения с врезным кольцом (DIN 2353). Прямой адаптер (серия PR)
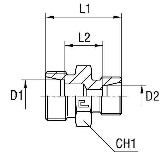
Данный редукционный соединитель (корпус), артикул 104136.1, производства CAST предназначен для создания герметичного и надежного перехода между гидравлическими линиями с различным внешним диаметром трубы. Он обеспечивает компактное и прочное трубное соединение в системах высокого давления. Принадлежит к серии S (тяжелая серия), что гарантирует его применение в особо нагруженных гидравлических установках, тяжелом машиностроении, мобильной технике и промышленных системах.
Конструктивно представляет собой литой корпус, разработанный для использования с 24° конусными соединениями согласно стандарту DIN 2353. Это обеспечивает высокую устойчивость к вибрациям и пульсациям давления. Важно отметить, что данная позиция не соответствует в полной мере норме ISO 8434-1 и доступна исключительно по индивидуальному запросу, что подчеркивает ее специализированный характер для специфических инженерных задач, требующих точного редуцирования диаметра трубы от 25 мм к 20 мм.
- Рабочее давление (WP): 420 бар
- Диаметр трубы D1: 25 мм
- Диаметр трубы D2: 20 мм
- Серия: S (тяжелая)
- Размер под ключ 1 (CH1): 41 мм
- Размер под ключ 2 (CH2): 46 мм
- Стандарт трубного соединения: 24° DIN 2353
В стандартном исполнении поставляется из высокопрочной стали. Для применений в агрессивных средах или условиях повышенной коррозии доступно исполнение из нержавеющей стали. Чтобы заказать фитинг CAST из нержавеющей стали AISI 316, необходимо заменить первые две цифры артикула с 10.... на 11.... Если требуется фитинг из нержавеющей стали AISI 316 с гайкой из нержавеющей стали AISI 304 (гайки и врезные кольца приобретаются отдельно), используйте префикс 14.... Данный соединитель является специализированным решением для уникальных гидравлических конфигураций.