Редукционный соединитель DS20 на DS16 (корпус) арт. 104134.1 от Cast
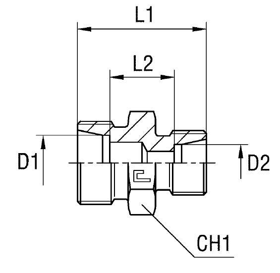
Редукционный соединитель DS20 на DS16 (корпус). Соединения с врезным кольцом (DIN 2353). Прямой адаптер (серия PR)
Этот редукционный соединитель (корпус) с артикулом 104134.1 производства Cast предназначен для создания надежного и герметичного трубного соединения при переходе с номинального диаметра 20 мм на 16 мм. Изделие относится к тяжело нагружаемой S-серии (Series S), обеспечивая стабильность при высоких рабочих давлениях до 420 бар. Основное назначение – интеграция в гидросистемы станков, мобильной техники, а также в промышленные установки, требующие компактного и прочного решения для изменения диаметра магистрали.
Конструкция представляет собой прямой соединительный элемент, обеспечивающий 24-градусный конус по стандарту DIN 2353. Данный элемент является корпусом редукционного фитинга CAST и требует использования обжимных колец и гаек соответствующего диаметра (20 мм и 16 мм) для завершения монтажа. Важно отметить, что, несмотря на применение стандарта 24°, данная позиция является специальным решением и не соответствует норме ISO 8434-1, поэтому доступна исключительно по запросу для специфических инсталляций.
- Рабочее давление (WP): 420 бар
- Серия: S (Тяжелая)
- Стандарт трубного соединения: Соединения 24° DIN 2353
- Переход диаметров (D1/D2): 20 мм на 16 мм
- Размер под ключ 1 (CH1): 32
- Размер под ключ 2 (CH2): 36
- Артикул: 104134.1
Стандартное исполнение корпуса выполнено из углеродистой стали с защитным покрытием. Для условий эксплуатации с повышенной влажностью или агрессивными средами, где требуется высокая коррозионная стойкость, доступно исполнение из нержавеющей стали AISI 316 (замена префикса 10... на 11...). Также возможен вариант исполнения, где корпус выполнен из AISI 316, а гайка из нержавеющей стали AISI 304 (префикс 14...), что позволяет оптимизировать затраты. Элемент поставляется как отдельный корпус без гаек и режущих колец.