Редукционный соединитель DS20 на DS10 (корпус) арт. 104132.1 от Cast
Редукционный соединитель DS20 на DS10 (корпус). Соединения с врезным кольцом (DIN 2353). Прямой адаптер (серия PR)
Редукционный соединитель, артикул 104132.1, от CAST предназначен для создания надежного перехода между гидравлическими линиями с разным диаметром. Используется в системах с высоким давлением, в частности, в промышленном оборудовании и стационарных гидравлических установках, где требуется точное и герметичное соединение.
Данный редукционный соединитель обеспечивает плавный переход от трубы диаметром DS20 к трубе диаметром DS10. Конструкция соответствует стандарту DIN 2353, что гарантирует совместимость с широким спектром фитингов и трубных соединений. Использование качественных материалов обеспечивает долговечность и устойчивость к высоким нагрузкам. Соединитель формирует надежное трубное соединение в гидравлической системе.
- Рабочее давление (WP): 420 бар
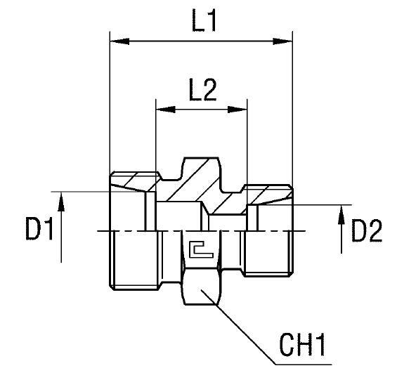
- Диаметр трубы M1/D1: 20
- Размер под ключ 2 (CH2): 36
- Размер под ключ 1 (CH1): 32
- Серия: S
- Длина L1: 40 мм
- Длина L2: 22 мм
- Стандарт трубного соединения: Соединения 24° DIN 2353
- Длина L3: 59,5 мм
Стандартная комплектация не включает уплотнительные элементы. Для применения в агрессивных средах и обеспечения повышенной коррозионной стойкости доступна версия из нержавеющей стали AISI 316. Чтобы заказать фитинг CAST из нержавеющей стали AISI 316, необходимо заменить префикс артикула с "10" на "11". Для версии с гайкой из нержавеющей стали AISI 304 - на "14". Обратите внимание, что данная позиция не соответствует норме ISO 8434-1 и поставляется только по запросу.