Редукционный соединитель DS16 на DS14 (корпус) арт. 104131.1 от Cast
Редукционный соединитель DS16 на DS14 (корпус). Соединения с врезным кольцом (DIN 2353). Прямой адаптер (серия PR)
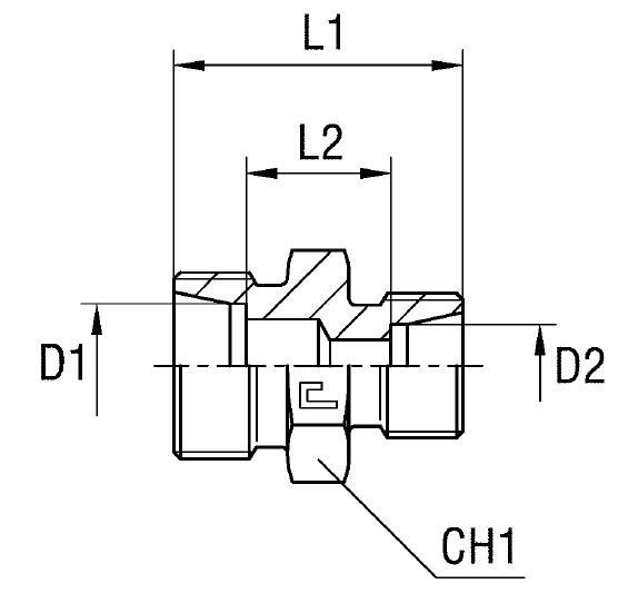
Редукционный соединитель (корпус) CAST, артикул 104131.1, представляет собой специализированный элемент для высоконадежного и герметичного перехода между гидравлическими трубными линиями различных номинальных диаметров. Данная модель обеспечивает соединение трубопроводов D1=16 мм и D2=14 мм. Элемент относится к тяжелой серии S, разработанной для систем, функционирующих при номинальном рабочем давлении до 630 бар. Основное назначение – применение в стационарных и мобильных гидравлических установках, тяжелом машиностроении и прессовом оборудовании, где требуется прочное и компактное трубное соединение.
Конструктивно корпус фитинга представляет собой монолитную деталь с двумя посадочными конусами 24°, предназначенными для создания неразъемного бесшовного стыка с помощью врезного кольца и накидной гайки. Соединитель соответствует общим требованиям стандарта DIN 2353 по геометрии посадочных мест. Отметим, что эта конкретная редукционная позиция не соответствует норме ISO 8434-1 и доступна исключительно по специализированному запросу, что подчеркивает ее узкоспециализированное инженерное назначение.
- Артикул производителя: 104131.1
- Бренд: Cast
- Серия: S (Тяжелая)
- Номинальное рабочее давление (WP): 630 бар
- Номинальный диаметр D1 / D2: 16 мм / 14 мм
- Стандарт соединения: Конус 24° DIN 2353
- Размер под ключ CH1 / CH2: 27 мм / 30 мм
Стандартное исполнение выполнено из углеродистой стали с высокоэффективным антикоррозийным покрытием. Для эксплуатации в агрессивных условиях, таких как химическая или пищевая промышленность, доступно исполнение из нержавеющей стали AISI 316 (при заказе используется префикс 11....). При необходимости комбинированного исполнения (корпус AISI 316 с гайкой AISI 304) следует указывать префикс 14..... Соединитель поставляется как корпус и требует обязательного доукомплектования соответствующими врезными кольцами и накидными гайками для завершения монтажа.