Редукционный соединитель DS14 на DS12 (корпус) арт. 104129.1 от Cast
Редукционный соединитель DS14 на DS12 (корпус). Соединения с врезным кольцом (DIN 2353). Прямой адаптер (серия PR)
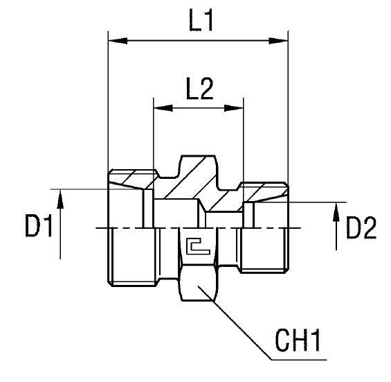
Редукционный соединитель (переходной корпус) с артикулом 104129.1 представляет собой специализированный фитинг CAST, предназначенный для создания надежного и герметичного трубного соединения. Изделие относится к тяжелой Серии S и обеспечивает компактный переход с внешнего диаметра трубы DS14 на DS12. Основное назначение – интеграция линий высокого давления в гидросистемах станочного оборудования, тяжелой техники и сложных промышленных установок, требующих адаптированного подключения.
Конструкция представляет собой высокопрочный корпус с двумя присоединительными участками под врезное кольцо и накидную гайку с конусом 24°. Соединитель разработан для обеспечения максимальной герметичности при критических нагрузках. Соответствует принципам соединений 24° DIN 2353. Важно отметить, что данная позиция не соответствует стандарту ISO 8434-1 и доступна исключительно по техническому запросу, подтверждая ее специфическое применение в нестандартных гидравлических конфигурациях.
- Рабочее давление (WP): 630 бар (Серия S)
- Диаметр трубного соединения M1/D1 (вход): 14 мм
- Диаметр трубного соединения M2/D2 (выход): 12 мм
- Стандарт конуса: Соединения 24° DIN 2353
- Размер под ключ 1 (CH1): 24 мм
- Размер под ключ 2 (CH2): 27 мм
Соединитель поставляется в виде корпуса и требует комплектации соответствующими врезными кольцами и накидными гайками (приобретаются отдельно). Стандартное исполнение имеет артикул 104129.1 (углеродистая сталь). Для применения в агрессивных и коррозионно-активных средах предусмотрены варианты из нержавеющей стали AISI 316 (префикс 11....) или комбинация корпуса AISI 316 с гайкой AISI 304 (префикс 14....). При заказе фитинга для особых условий эксплуатации необходимо скорректировать первые две цифры артикула, как указано в спецификации производителя.