Редукционный соединитель DS12 на DS06 (корпус) арт. 104125.1 от Cast
Редукционный соединитель DS12 на DS06 (корпус). Соединения с врезным кольцом (DIN 2353). Прямой адаптер (серия PR)
Данный редукционный соединитель (артикул 104125.1) производства CAST, серия S, предназначен для создания герметичного и надежного соединения гидравлических труб различных диаметров. Основное назначение – интеграция трубопроводов с номинальным диаметром 12 мм и 6 мм в системах с высоким рабочим давлением. Применяется в стационарных и мобильных гидравлических системах, включая станкостроение, промышленное оборудование и спецтехнику, требующих компактного и прочного подключения.
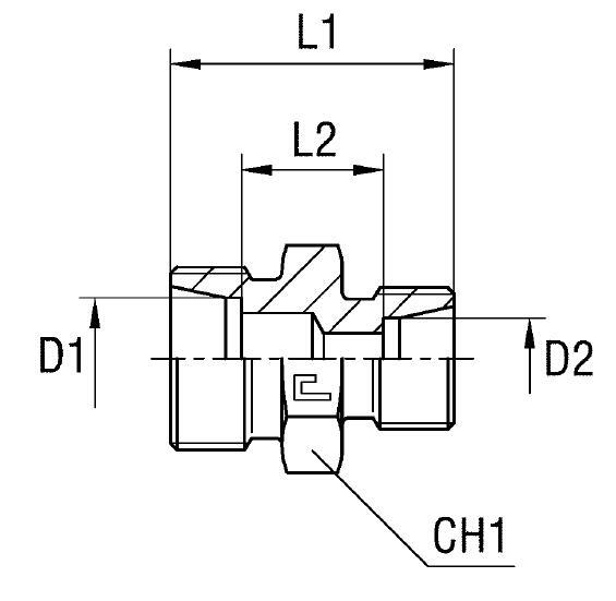
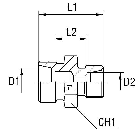
Конструктивно представляет собой корпус фитинга, разработанный для формирования 24° конусных трубных соединений согласно стандарту DIN 2353. Важно отметить, что данный корпус не соответствует норме ISO 8434-1 и доступен только по запросу как специализированное решение. Он обеспечивает прочное и долговечное соединение в условиях интенсивной эксплуатации, где требуется редукция диаметров трубопровода.
- Артикул: 104125.1
- Рабочее давление (WP): 630 бар
- Серия: S
- Диаметр трубы M1/D1: 12 мм
- Диаметр трубы M2/D2: 6 мм (из названия)
- Стандарт трубного соединения: 24° конусные соединения DIN 2353
- Размер под ключ 1 (CH1): 22 мм
- Размер под ключ 2 (CH2): 24 мм
- Длина L1: 34 мм
- Длина L2: 19,5 мм
- Длина L3: 50,5 мм
Стандартное исполнение редукционного соединителя поставляется из оцинкованной стали. Для применения в агрессивных средах или при повышенных требованиях к коррозионной стойкости, доступна версия из нержавеющей стали AISI 316 (замена префикса артикула 10 на 11). Также предлагается вариант с корпусом из AISI 316 и гайками из нержавеющей стали AISI 304 (замена префикса 10 на 14). Гайки и врезные кольца для завершения трубного соединения DIN 2353 приобретаются отдельно.