Редукционный соединитель DS08 на DS06 (корпус) арт. 104122.1 от Cast
Редукционный соединитель DS08 на DS06 (корпус). Соединения с врезным кольцом (DIN 2353). Прямой адаптер (серия PR)
Данный редукционный соединитель (корпус) с артикулом 104122.1 от производителя CAST предназначен для создания герметичного и надежного перехода между трубными линиями различного номинального диаметра: с 8 мм на 6 мм. Относится к тяжелой серии "S", что обеспечивает высокую прочность и устойчивость к давлению. Основное применение – это высоконагруженные гидравлические системы, машиностроение, станки, а также мобильная и стационарная промышленная техника, где требуется компактное и безопасное подключение.
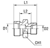
Конструкция представляет собой высокопрочный стальной корпус, спроектированный для формирования 24° конусного уплотнения, что является основой для трубных соединений стандарта DIN 2353 / ISO 8434-1. Важно отметить, что данная специфическая редукционная конфигурация (DS08 на DS06) не полностью соответствует норме ISO 8434-1 и доступна исключительно по запросу, что подчеркивает ее специализированное назначение. Соединитель предназначен для комплектации с соответствующими врезными кольцами и накидными гайками для создания разъемного соединения.
- Артикул: 104122.1
- Рабочее давление (WP): 800 бар (80 МПа)
- Диаметр трубы M1/D1 (вход): 8 мм
- Диаметр трубы M2/D2 (выход): 6 мм
- Серия: S (тяжелая)
- Размер под ключ CH1: 17 мм
- Размер под ключ CH2: 19 мм
- Длина общая (L3): 48 мм
- Стандарт соединения: 24° конус (основа DIN 2353 / ISO 8434-1)
Стандартное исполнение фитинга CAST поставляется из высококачественной стали. Для применения в условиях повышенной коррозии или агрессивных сред возможен заказ из нержавеющей стали AISI 316; для этого измените префикс артикула с 10.... на 11.... При необходимости корпуса из AISI 316 в комплекте с гайкой из AISI 304, префикс артикула должен быть изменен на 14.... Корпус поставляется без накидных гаек и врезных колец, которые приобретаются отдельно. Учитывая нестандартность данной редукции по ISO 8434-1, все заказы требуют подтверждения.