Редукционный соединитель DL35 на DL22 (корпус) арт. 104120.1 от Cast
Редукционный соединитель DL35 на DL22 (корпус). Соединения с врезным кольцом (DIN 2353). Прямой адаптер (серия PR)
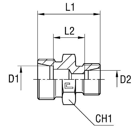
Данное изделие представляет собой редукционный соединитель (корпус муфты), артикул 104120.1, разработанный и произведенный компанией CAST. Основное назначение – обеспечение компактного и герметичного перехода между гидравлическими линиями с номинальными диаметрами 35 мм и 22 мм. Относясь к серии L (легкая серия), фитинг рассчитан на стандартное рабочее давление до 250 бар. Продукт широко применяется в стационарных гидравлических установках, системах смазки и вспомогательных контурах мобильной техники, где требуется надежное уменьшение диаметра линии.
Конструктивно соединитель выполнен как прямой корпус, предназначенный для создания надежного и легко обслуживаемого разъемного **трубного соединения**. Совместим с метрическими трубами и использует стандартную конусность 24° согласно требованиям **DIN 2353**. Для создания полноценного и герметичного соединения корпус требует обязательного дооснащения соответствующими накидными гайками и зажимными (режущими) кольцами, подходящими для диаметров 35 мм и 22 мм.
- Рабочее давление (WP): 250 бар
- Совместимость труб (D1/D2): 35 мм / 22 мм
- Стандарт соединения: Соединения 24° DIN 2353
- Серия: L (Легкая)
- Размер под ключ (CH1/CH2): 46 мм / 50 мм
Стандартное исполнение (артикул 10....) изготовлено из углеродистой стали с защитным покрытием. Для эксплуатации в условиях повышенной влажности или агрессивных сред доступна опция исполнения из нержавеющей стали AISI 316, что достигается заменой префикса артикула на 11.... При необходимости использования более экономичных гаек, предусмотрен вариант 14.... (корпус AISI 316, гайка AISI 304). Обратите внимание, что данный размер (DL35 на DL22) не входит в стандарт ISO 8434-1 и доступен только по специальному заказу.