Редукционный соединитель DL28 на DL22 (корпус) арт. 104119.1 от Cast
Редукционный соединитель DL28 на DL22 (корпус). Соединения с врезным кольцом (DIN 2353). Прямой адаптер (серия PR)
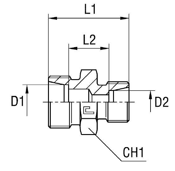
Редукционный соединитель (корпус) CAST, артикул 104119.1, предназначен для герметичного трубного соединения с переходом диаметра. Этот гидравлический фитинг серии L (легкая) эффективно уменьшает номинальный диаметр с 28 мм до 22 мм. Оптимален для оптимизации потоков и компактной интеграции в гидравлические системы станков, мобильной техники и общего машиностроения при рабочем давлении до 250 бар.
Конструкция корпуса соответствует стандарту 24° конуса DIN 2353, обеспечивая совместимость с обжимными кольцами и накидными гайками. Важно учитывать, что позиция не соответствует норме ISO 8434-1 и доступна исключительно по запросу, что указывает на ее специализированное применение.
- Артикул: 104119.1
- Рабочее давление (WP): 250 бар
- Диаметр трубы D1/D2: 28 мм / 22 мм
- Серия: L (легкая)
- Стандарт соединения: 24° конус DIN 2353
- Размер под ключ (CH1/CH2): 41 мм
- Габаритные размеры (L1/L2/L3): 36 мм / 21 мм / 54 мм
Стандартное исполнение из высококачественной стали. Для агрессивных сред или повышенных требований к коррозионной стойкости доступен вариант из нержавеющей стали AISI 316; для заказа используйте артикул с префиксом 11. Поставляется как отдельный корпус без уплотнений, обжимных колец и гаек, предоставляя инженерам гибкость в выборе дополнительных компонентов.